HMC-ABH241/HMC-ABH241-SX英語四級GaAs HEMT MMIC適中輸出功率變小器 ADI外盤
發布的精(jing)力:2018-06-26 16:30:49 搜素:2435
THMC-ABH241就是款英語四級GaAs HEMT MMIC中級效率調小器,任務工作頻率位置為50至66 GHz。 HMC-ABH241可以提供24 dB增益值,用到+5V電源模塊的輸出耗油率時更具+17 dBm的輸出效率(1dB壓解)。 各個焊盤和集成電路芯片后殼都路過Ti/Au金屬材料化,調小器已齊全鈍化以構建可靠性操作步驟。
HMC-ABH241 GaAs HEMT MMIC高的英語最大功率增加器兼容傳統式的集成ic貼裝措施,已經熱文件壓縮和熱超音波線電工藝,極其時候MCM和混合型微電源電路技術應用。 此地體現 的所有數值均是集成ic在50 Ω大環境下操作RF溫度探頭玩測量。
|
品牌
|
型號
|
描述
|
貨期
|
庫存
|
|
ADI
|
HMC-ABH241
HMC-ABH241-SX
|
中等功率放大器芯片,50 - 66 GHz
|
現貨
|
249
|
THMC-ABH241應用
THMC-ABH241優勢和特點
-
輸出IP3: +25 dBm
-
P1dB: +17 dBm
-
增益: 24 dB
-
電源電壓: +5V
-
50 Ω匹配輸入/輸出
-
裸片尺寸: 3.2 x 1.42 x 0.1 mm
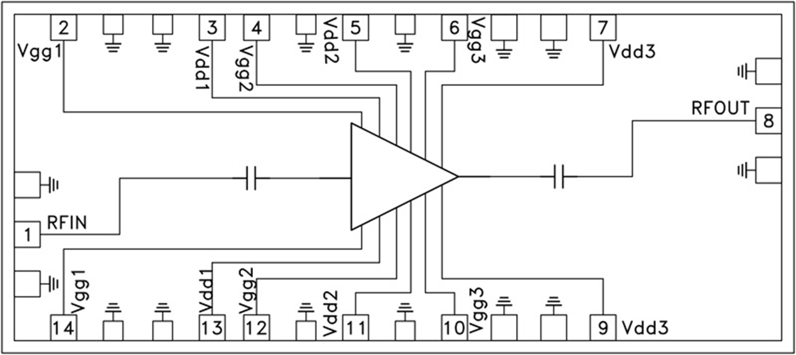
THMC-ABH241結構圖
