HMC-AUH320/HMC-AUH320-SX3級中等水平工作效率增加器 ADI現貨平臺
披露日期:2018-06-27 11:44:10 觀看(kan):2725
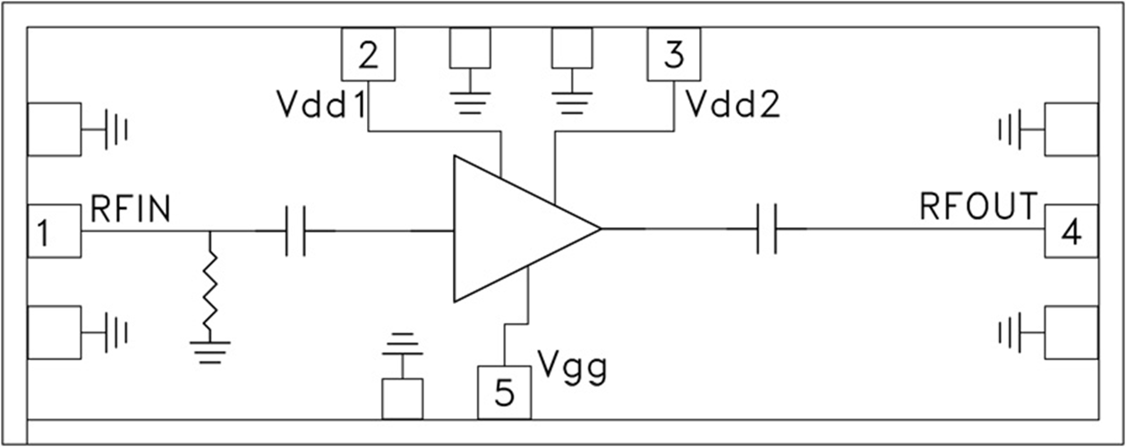
HMC-AUH320就是款高動態數據區間的3級GaAs HEMT MMIC適中電機工作電壓電流放縮器,在71至86 GHz的頻點下的工作。 HMC-AUH320在74 GHz頻點下提高16 dB的增益值,在1 dB進行壓縮點提高+15 dBm的輸入電機工作電壓電流,應用+4V外接電源電壓電流。 因此焊盤和基帶芯片背后都 Ti/Au金屬材料化,放縮器電子元器件已壓根鈍化以進行安全運作。
HMC-AUH320 GaAs HEMT MMIC中級公率增加器可兼容正規的存儲處理芯片貼裝方式方法,及及熱收縮和熱彩超線焊,極其適宜MCM和融合微三極管軟件應用。 在此現示的各個數據分析均是存儲處理芯片在50 Ohm自然環境下選用RF傳感器觸及測出。
|
品牌
|
型號
|
描述
|
貨期
|
庫存
|
|
ADI
|
HMC-AUH320
HMC-AUH320-SX
|
中等功率放大器芯片,71 - 86 GHz
|
現貨
|
233
|
HMC-AUH320應用
-
短程/高容量鏈路
-
無線LAN網橋
-
汽車雷達
-
軍事和太空
-
E波段通信系統
HMC-AUH320優勢和特點
-
增益: 16 dB (76 GHz)
-
P1dB: +15 dBm
-
電源電壓: +4V
-
50 Ω匹配輸入/輸出
-
裸片尺寸:
2.20 x 0.87 x 0.1 mm
HMC-AUH320結構圖
