制造行業介紹
推出時:2018-06-27 16:46:26 查看:1998
| 品牌 | 型號 | 描述 | 貨期 | 庫存 |
| ADI |
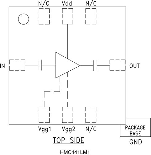
HMC441LM1 HMC441LM1TR |
中等功率放大器,采用SMT封裝,7.0 - 15.5 GHz | 現貨 | 261 |
HMC441LM1應用
HMC441LM1優勢和特點
+21.5 dBm (27% PAE)
+5V,提供可選的柵極偏置
HMC441LM1結構圖
