服務行業知識
更(geng)新時(shi)間(jian)(jian)間(jian)(jian)隔:2018-06-27 17:23:18 手(shou)機瀏(liu)覽(lan):7416
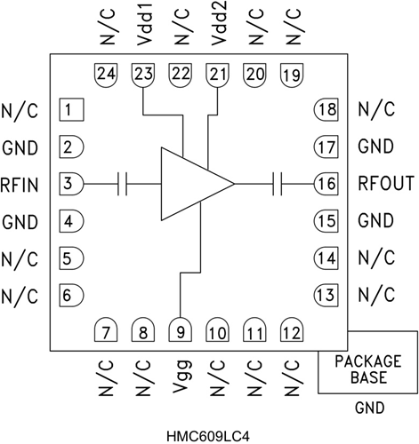
HMC609LC4不是款GaAs PHEMT MMIC低噪(zao)音(yin)污(wu)染(ran)變(bian)(bian)小器(LNA),操作(zuo)率區間為2至4 GHz。 HMC609LC4在整(zheng)一個操作(zuo)頻段內享有(you)突(tu)出(chu)(chu)的平緩(huan)形(xing)態形(xing)態,還包括20 dB小網(wang)絡信號增益控制、3.5 dB噪(zao)音(yin)污(wu)染(ran)因子和+36.5 dBm輸出(chu)(chu)的IP3。 50 Ω配對變(bian)(bian)小器不用所有(you)的外鏈配對組件。 HMC609LC4可以使用高儲存量表貼(tie)制做(zuo)技術,且RF I/O路經(jing)隔直以進一大步有(you)助智能家居控制。
品牌
型號
描述
貨期
庫存
ADI
HMC609LC4
HMC609LC4TR
低噪聲放大器,采用SMT封裝,2 - 4 GHz
現貨
203
HMC609LC4應用
HMC609LC4優勢和特點
HMC609LC4結構圖
