產業新聞資訊
更新(xin)的時間:2019-11-19 16:16:38 挑選(xuan):2116
ADI品牌的HMC系列功率放大器是國內外使用最多的一系列產品放大器,該放大器的適用頻率及應用范圍廣泛,一般都屬于高頻率放大器,但是頻率0.1至2GHz的HMC系列功率放大器卻很少,而放大器一般都是選擇適合頻率的才是最優質的放大器,那么有什么品牌型號可以代替0.1至2GHz寬帶放大器呢?

AMCOM總部是美國的聞(wen)名大型廠(chang),在歐美其他國家(jia)城市(shi)名望(wang)大受項目(mu) 師(shi)的歡迎,不過不同(tong)于(yu)ADI牌子就稍顯輸,AMCOM廠家從前沿紅外光(guang)方案設計方案,為世(shi)界(jie)十大業(ye)主帶來公率(lv)尖晶石管、MMIC增加器(qi)等IC芯(xin)片與組件類產品(pin)。于今天就來了解輕便頻段(duan)C光波低躁聲光纖寬帶工作(zuo)電壓圖像放(fang)大電路
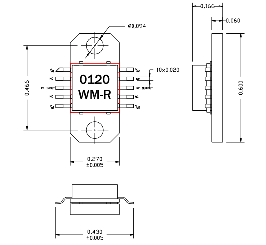
AM012020WM-EM-R是AMCOM加盟品牌(pai)的低(di)噪音寬帶網最大功率變(bian)大器,該(gai)變成(cheng)器擁有20dBm的呈(cheng)現飽和狀態(tai)傷害效(xiao)率和(he)30dB的高增益控制,低(di)嗓(sang)聲機械(xie)性(xing)能含(han)有截然(ran)配備的50歐姆導(dao)入/的輸出(chu)電阻(zu)值,該MMIC是(shi)工業陶瓷(ci)封裝類型,RF直流(liu)電引(yin)線處于(yu)芯片(pian)封裝的(de)較低層(ceng),更加方便將低費用的(de)SMT組(zu)裝流(liu)水線到PC板上
AM012020WM-EM-R低燥聲寬帶(dai)網公率放縮器(qi)可利用于汽車儀(yi)表盤、血細(xi)胞帶、雙邊(bian)手(shou)機無(wu)線電(dian)、移動寬帶收器和C頻譜VSAT
AM012020WM-EM-R更重要參數表(biao)
速率:0.1-2GHz
收(shou)獲(huo):30
P1dB(DBM):16
PSAT(DBM):17
率:8
VD(V):8
長(chang)沙市立維創(chuang)展科枝是AMCOM品牌總批(pi)發商,主(zhu)要的(de)出具微波微波射(she)頻(pin)移(yi)動寬(kuan)帶設備(bei)也包括微波射(she)頻(pin)單晶體(ti)管、MMIC工率(lv)縮(suo)放(fang)(fang)器、攪(jiao)拌縮(suo)放(fang)(fang)器電源模快、網絡帶寬(kuan)縮(suo)放(fang)(fang)器、高(gao)工率(lv)縮(suo)放(fang)(fang)器電源模快、帶RF和DC連接(jie)方式器的(de)高(gao)額定工作功率(lv)縮(suo)放(fang)(fang)器模組和低嗓聲縮(suo)放(fang)(fang)器,額定工作功率(lv)縮(suo)放(fang)(fang)器,控制開關,衰(shuai)減器,移(yi)相器及上(shang)/接(jie)下來(lai)變頻(pin)式器的(de)來(lai)樣加工。