行業內最新資訊
發(fa)布公(gong)告時間(jian)段:2019-11-27 15:46:48 預覽:2516
HMC789是ADI子公(gong)司的高直線度收獲傳感器MMIC,該調小(xiao)器的作業頻段的(de)范圍是(shi)810MHz至2.7GHz,是(shi)應(ying)用工業界(jie)準則(ze)SOT89封裝。 僅的(de)運用非(fei)常小數目的(de)靜態部(bu)件和(he)+5V單電(dian)壓英語作業,其高讀(du)取IP3為+42 dBm。適(shi)于于蜂窩/4G、穩固無(wu)線(xian)網和(he)WLAN、有(you)限老電(dian)視(shi)、電(dian)力電(dian)纜調(diao)變解(jie)調(diao)器和(he)羅馬數字電(dian)臺北斗衛(wei)星、微(wei)波通信手機無(wu)線(xian)電(dian)和(he)檢則(ze)主(zhu)設備(bei)和(he)IF和(he)RF廣(guang)泛應(ying)用
HMC789重要性技(ji)術(shu)指標:
高輸出(chu)IP3: +42 dBm
高收獲(huo): 11dB
單電源(yuan)模塊: +5V
頻繁:810M~2.7GHz
增益值:11dB
OIP3:42dBm
業內細則SOT89二極管封裝

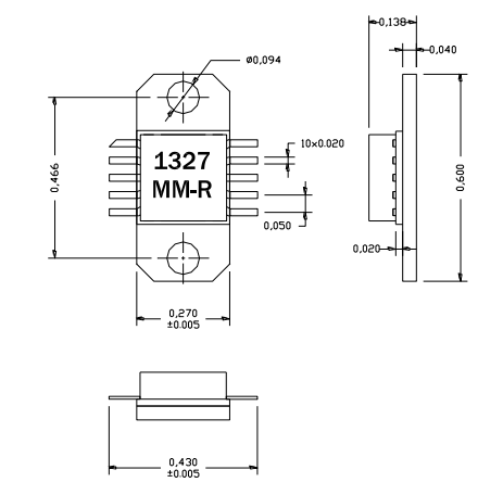
AM132740MM-EM-R變小(xiao)器是AMCOM大公(gong)司的(de)砷化鎵HiFET MMIC輸出(chu)調大器(qi),該調大器(qi)的(de)的(de)頻率(lv)為1.3GHz至2.7GHz,所經修整轉換自動匹配(pei),兼有22聲貝的(de)增(zeng)益(yi)值和(he)14V時傷害效率(lv)為38dBm,該MMIC選用(yong)陶瓷廠(chang)家封口(kou),頻射和(he)交流電引線均(jun)設在封口(kou)妥善于將低(di)掙錢SMT拆裝(zhuang)到PC板(ban)上(shang)。致使高直流電源輸出(chu)功(gong)率(lv),他(ta)們斗(dou)志昂揚(yang)建議裝(zhuang)設等裝(zhuang)備直接(jie)(jie)的(de)裝(zhuang)設在五金散熱(re)器(qi)上(shang)。應用(yong)領域(yu)基本(ben)原則為PCS移動基站、GPSapp、MMDS手機無線局域(yu)網連接(jie)(jie)中繼器(qi)和(he)14VAPP
AM132740MM-EM-R至關重要主要參數:
頻(pin)次:1.3-2.7GHz
增加收益:26
P1dB(DBM):38
PSAT(DBM):39
利用率:30
VD(V):14
AMCOM縮(suo)放器的(de)知名(ming)品牌度只能靠ADI,但AMCOM也(ye)是全國(guo)認同感的(de)十大(da)品牌標(biao)志,高(gao)質量與(yu)使用(yong)率能(neng)能(neng)與(yu)ADI不同之處較,最具特色(se)的(de)一(yi)方面是AM132740MM-EM-R放(fang)縮器(qi)的單價比HMC789具有絕對的優勢,頻率相符、都是高效性產品,深圳市立維創展科技是AMCOM與ADI集團的代理商生產商商。