行業中新聞咨詢
發表時:2019-12-18 14:27:00 查詢:1886
HMC413是ADI的一種頻率范圍為1.6~2.2ghz的高效、性價比最高率異質結雙極氯化鈉晶體管MMIC工作功率擴大器。高收益預算,表面能貼裝16針二極管封裝,裸底托,提升微波射頻和溫性能。它選擇少許的內部開關元件來出具23db的增益值,過飽和馬力為29.5dbm(42%PAE),電源模塊電壓降為5v。增加器還會與3.6V外接電源一同業務。VPD需用于省點傳統模式或微波射頻讀取效率電流值操縱。
HMC413的選用屬(shu)于:蜂(feng)窩PCS3G、一體式式機 和基(ji)礎理論設施(shi)管理、無(wu)線wifi原(yuan)生環路等。
HMC413非常重要(yao)技術參數:
幀(zhen)率:1.6G - 2.2G
增加收益(yi):22
OIP3:40

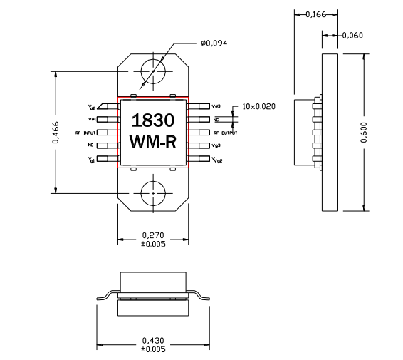
AM183030WM-EM-R是amcom的(de)GaAs-MMIC工(gong)作(zuo)電壓變(bian)小器。該變(bian)小器在1.6~3.3ghz頻段內,增加收益為30.5db,打(da)印(yin)輸出輸出為30.5dbm。為于低人工(gong)成本(ben)SMT制造(zao)到PC板上,本(ben)創造(zao)都屬于另外一種(zhong)低層芯片打(da)包封(feng)裝(zhuang)中頻射和交流(liu)電電源引線的(de)瓷磚(zhuan)芯片打(da)包封(feng)裝(zhuang)。隨著(zhu)交流(liu)電電源能(neng)耗高(gao),提(ti)醒(xing)將等環保設(she)備就直接(jie)重新(xin)安裝(zhuang)在五金cpucpu散熱器上。
AM183030WM-EM-R的應該用方向具有:wifi手(shou)機(ji)(ji)上(shang)網卡、wifi手(shou)機(ji)(ji)地方環路和MMDS
AM183030WM-EM-R非常(chang)重要主要參數(shu)
率:1.6-3.3GHz
增加收益:30.5
P1dB(DBM):30.5
PSAT(DBM):31.5
能力:20
VD(V):8
AM183030WM-EM-R調大器與HMC413拖動器(qi)的(de)的(de)頻(pin)率和符合行業將(jiang)近,這二款(kuan)拖動器(qi)是可雙(shuang)方當作(zuo)的(de),同時在市場價上卻相(xiang)差太多眾(zhong)多,AM183030WM-EM-R調小器頗具(ju)市場價競爭優勢,質量(liang)極(ji)有效率牢靠,河南市(shi)立維創展科學是AMCOM與ADI子(zi)公司的代銷商生產商商,提高AMCOM與ADI的(de)紅外光(guang)元元器和(he)電(dian)源芯片,歡迎會聯(lian)系。