行業內新聞
更新時光:2019-12-23 14:35:39 手機(ji)瀏覽:2181
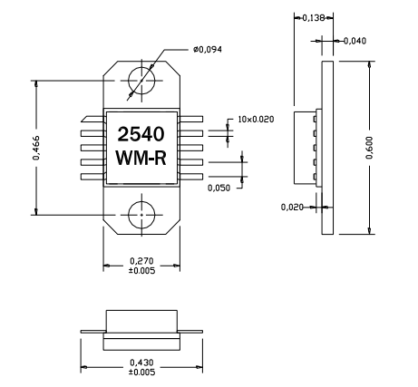
AM254038WM-EM-R是(shi)AMCOM的(de)(de)(de)砷化鎵HiFET MMIC功率(lv)放(fang)大(da)(da)器(qi)系列的(de)(de)(de)一(yi)部分。這是(shi)兩個階段GaAs-HIFET-PHEMT-MMIC功率(lv)放(fang)大(da)(da)器(qi)。它與50歐姆的(de)(de)(de)輸入和(he)輸出(chu)完(wan)全匹(pi)配(pei),覆蓋2.4到4.4赫(he)茲。該MMIC具有18dB的(de)(de)(de)增益和(he)38dBm的(de)(de)(de)12V輸出(chu)功率(lv)射(she)頻和(he)直(zhi)流引線位(wei)于(yu)封(feng)裝(zhuang)(zhuang)(zhuang)的(de)(de)(de)較低層,以(yi)便于(yu)將(jiang)低成本的(de)(de)(de)SMT組裝(zhuang)(zhuang)(zhuang)到PC板上(shang)(shang)(shang)。因為(wei)直(zhi)流電功率(lv)大(da)(da)散(san)熱(re)(re),我們強烈(lie)建議將(jiang)這些設備直(zhi)接安裝(zhuang)(zhuang)(zhuang)在金屬散(san)熱(re)(re)片上(shang)(shang)(shang)。AM254038WM-FM-R型AM254038WM-BM-R是(shi)否安裝(zhuang)(zhuang)(zhuang)在鍍金銅(tong)法(fa)蘭托架(jia)上(shang)(shang)(shang)。EM包有相同的(de)(de)(de)封(feng)裝(zhuang)(zhuang)(zhuang)為(wei)FM封(feng)裝(zhuang)(zhuang)(zhuang),采用直(zhi)引線和(he)銅(tong)/鎢法(fa)蘭代替(ti)銅(tong)法(fa)蘭。在那里是(shi)法(fa)蘭上(shang)(shang)(shang)的(de)(de)(de)兩個螺(luo)孔,便于(yu)擰到金屬散(san)熱(re)(re)器(qi)上(shang)(shang)(shang)。這個MMIC是(shi)符合RoHS的(de)(de)(de)。

AM254038WM-EM-RAPP
PCS基站設備
GPS適用
MMDS
wifi局(ju)域網連接中繼器
10V–13V操作(zuo)
AM254038WM-EM-R重點基本參數
工(gong)作頻(pin)率:2.5-4GHz
增益值:18
P1dB(DBM):38
PSAT(DBM):39
轉化率(lv):30
VD(V):12
蘇州市立維創展(zhan)技術是AMCOM新(xin)公(gong)司總經銷(xiao)商,其核(he)心微波通信光纖(xian)(xian)寬帶食(shi)品涉及到頻射硫(liu)化(hua)鋅管、MMIC公(gong)率調(diao)小(xiao)器、攪拌調(diao)小(xiao)器組件圖(tu)片(pian)(pian)、光纖(xian)(xian)寬帶調(diao)小(xiao)器、高公(gong)率調(diao)小(xiao)器組件圖(tu)片(pian)(pian)、帶RF和DC接(jie)連器(qi)的高(gao)馬力擴大器(qi)模塊電(dian)源(yuan)和低嗓(sang)聲擴大器(qi),馬力擴大器(qi),電(dian)源(yuan)開關,衰(shuai)減器(qi),移相器(qi)或上/下部伺(si)服器的制作(zuo)。