制造業資訊、短視頻軟件
上傳時間段(duan):2019-12-24 14:39:50 看:1786
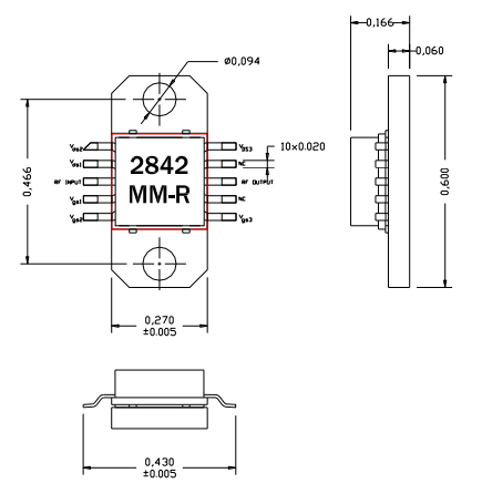
AM284233MM-EM-R是(shi)AMCOM的(de)砷化鎵MMIC功率(lv)放大器(qi)系(xi)列的(de)一部(bu)分(fen)(fen)。它有(you)34分(fen)(fen)貝(bei)的(de)增益和(he)(he)在2.8到4.2GHz頻帶(dai)上(shang)輸出33dBm的(de)功率(lv)。這個(ge)MMIC是(shi)一個(ge)陶瓷(ci)封裝,有(you)射頻和(he)(he)直(zhi)流引(yin)線(xian)在較低層次的(de)封裝,以方便低成本的(de)SMT組裝到PC板。由(you)于高直(zhi)流功耗,我們建議將這些設(she)備直(zhi)接安(an)裝在金(jin)屬散熱(re)器(qi)上(shang)。AM284233MM-FM-R是(shi)AM284233MM-BM-R安(an)裝在鍍(du)金(jin)銅法蘭托(tuo)架上(shang)。EM包與帶(dai)直(zhi)管和(he)(he)銅/鎢法蘭而不是(shi)銅法蘭的(de)FM封裝。有(you)兩(liang)個(ge)法蘭上(shang)的(de)螺(luo)孔便于擰到金(jin)屬散熱(re)器(qi)上(shang)。這個(ge)MMIC是(shi)符合(he)RoHS的(de)。

AM284233MM-EM-RAPP
遠程互(hu)上網網連結
無線路由本地人環路
雙相wlan電
AM284233MM-EM-R必要參數(shu)值
頻繁:2.8-4.2GHz
增(zeng)益(yi)控制:34
P1dB(DBM):33
PSAT(DBM):34
吸收(shou)率:25
VD(V):8
上海市立(li)維(wei)創展社會是AMCOM裝修(xiu)公司(si)總代,其(qi)常見微波(bo)加熱網絡帶寬軟件還(huan)包括微波(bo)射(she)頻(pin)氯化鈉晶體(ti)管、MMIC最大(da)(da)輸(shu)出(chu)功率增(zeng)(zeng)加器(qi)、混(hun)合物增(zeng)(zeng)加器(qi)控制(zhi)器(qi)、聯(lian)通寬帶增(zeng)(zeng)加器(qi)、高(gao)最大(da)(da)輸(shu)出(chu)功率增(zeng)(zeng)加器(qi)控制(zhi)器(qi)、帶RF和(he)DC拼(pin)接器(qi)(qi)的高輸出(chu)變小器(qi)(qi)傳感器(qi)(qi)和低燥音變小器(qi)(qi),輸出(chu)變小器(qi)(qi),轉換開關(guan),衰減器(qi)(qi),移相器(qi)(qi)并且 上/后面(mian)調頻(pin)器的自定義。