HMC-APH596/HMC-APH596-SX兩極GaAs HEMT MMIC一般輸出功率擴大器 ADI現貨交易
推送日子(zi):2018-06-29 11:18:34 查(cha)詢:1834
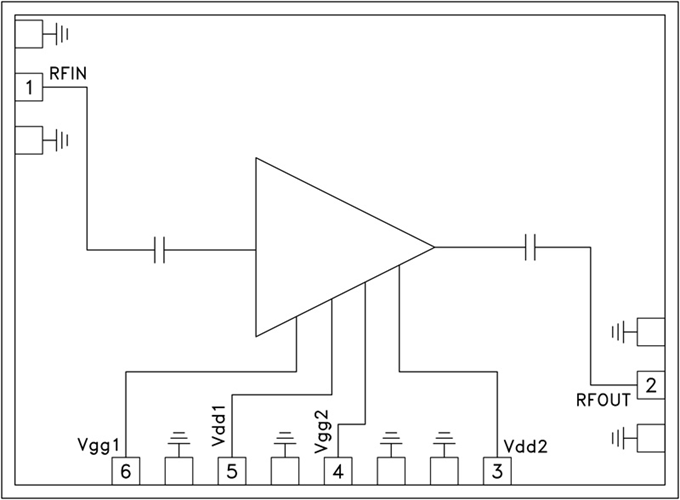
HMC-APH596就是款二級GaAs HEMT MMIC中等水平事情效率擴大器,事情次數范圍圖為16至33 GHz。 HMC-APH596出示17 dB增益值,按照+5V電源線工作電壓時極具+24 dBm轉換事情效率(1 dB再壓縮)。 各個焊盤和心片后面都根據Ti/Au金屬材料化,擴大器已可以鈍化以體現靠得住操作方法。
HMCAPH596 GaAs HEMT MMIC中高馬力圖像電壓放大器兼容以往的處理單片機芯片貼裝方案,與熱解壓縮和熱mri線焊接工藝藝,十分適于MCM和混合式微用電線路應該用。 彼處現示的各個信息均是處理單片機芯片在50 Ω場景下便用RF溫度探頭觸碰精確測量。
|
品牌
|
型號
|
描述
|
貨期
|
庫存
|
|
ADI
|
HMC-APH596
HMC-APH596-SX
|
MMIC中等功率放大器,16至33 GHz
|
現貨
|
323
|
用途
HMC-APH596優勢和特點
-
輸出IP3: +33 dBm
-
P1dB: +24 dBm
-
增益: 17 dB
-
電源電壓: +5V
-
50 Ω匹配輸入/輸出
-
裸片尺寸:
2.55 x 1.87 x 0.1 mm
HMC-APH596結構圖
