HMC633LC4/HMC633LC4TR驅使增加器幀率5.5至17 GHz ADI現貨交易
發布了時(shi)間:2018-06-29 11:41:51 瀏覽網頁:1854
HMC633LC4就是款GaAs PHEMT MMIC驅動下載縮放器,按照無鉛4x4 mm表貼瓷質封裝,事情頻段范圍內為5.5至17 GHz。 該縮放器提供了高達hg30 dB的收獲、+30 dBm傳輸IP3及+23 dBm的傳輸熱效率(1 dB收獲再壓縮時),輸出功率為180 mA(+5V主機電源)。
HMC633LC4驅動安裝變大器十分符合運轉頻次條件為5.5至17 GHz的微波通信無線網電利用,輸出功率可偏置為+5V (130 mA)以打造2 dB較低增益控制并糾正PAE。 隔直變大器I/O自動配備50 Ω,必須內部自動配備開關元件。
|
品牌
|
型號
|
描述
|
貨期
|
庫存
|
|
ADI
|
HMC633LC4
HMC633LC4TR
|
驅動放大器,采用SMT封裝,5.5 - 17 GHz
|
現貨
|
269
|
APP
-
點到點遠程電
-
點對向下無線網電和VSAT
-
混頻器LO安裝軟啟動
HMC633LC4優勢和特點
-
增益: 30 dB
-
P1dB: +23 dBm
-
飽和功率:+23.8 dBm (24% PAE)
-
電源電壓: +5V (180 mA)
-
50 Ω匹配輸入/輸出
-
24引腳4x4mmSMT陶瓷封裝: 16mm2
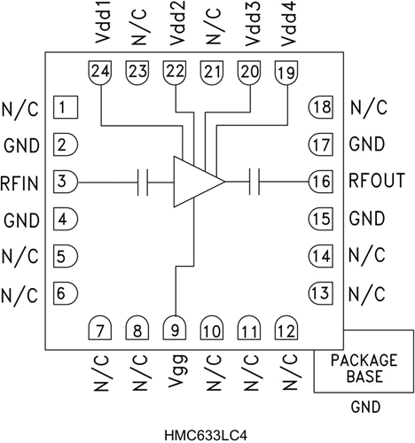
HMC633LC4結構圖
