HMC383LC4/HMC383LC4TR基礎MMIC驅使拖動器 ADI現貨黃金POS機地區代理
頒布時(shi)刻(ke):2018-06-29 13:42:06 閱覽:2345
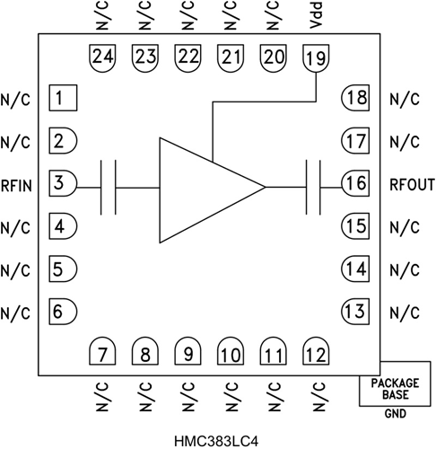
HMC383LC4就是款通用性型GaAs PHEMT MMIC帶動軟件變大器,選取合適RoHS基準的無引腳SMT打包封裝形式。 該變大器選取+5V單電,收獲為15 dB,過剩公率為+18 dBm。 在所有運作頻段內具有著一樣的收獲和導出公率,以致也可以在多移動電頻段在便用一位通用性型的帶動軟件器/LO變大器。 隔直RF I/O一致至50 Ω,在便用省事。 HMC383LC4選取合適RoHS基準的無引腳4x4 mm 打包封裝形式,兼容接觸面貼裝制作業技術。
|
品牌
|
型號
|
描述
|
貨期
|
庫存
|
|
ADI
|
HMC383LC4
HMC383LC4TR
|
中等功率放大器SMT,12 - 30 GHz
|
現貨
|
337
|
HMC383LC4應用
-
點對點無線電
-
點對多點無線電和VSAT
-
測試設備和傳感器
-
HMC混頻器LO驅動器
-
軍事和太空
HMC383LC4優勢和特點
-
增益: 15 dB
-
飽和輸出功率: +18 dBm
-
輸出IP3: +25 dBm
-
單正電源:
+5V (100 mA)
-
50 Ω匹配輸入/輸出
-
符合RoHS標準的4x4 mm封裝
HMC383LC4結構圖
