HMC498LC4/HMC498LC4TR高情況時間范圍功效擴大器 ADI外盤
發布信(xin)息時長(chang):2018-06-29 13:47:59 手(shou)機瀏覽(lan):2308
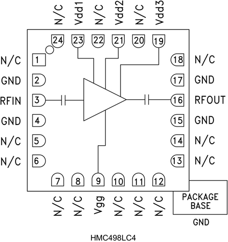
HMC498LC4就是一款高日常動態運用面積GaAs PHEMT MMIC中高瓦數變成器,通過無引腳“無鉛”SMT芯片封裝。 該變成器兼有17至24 GHz的的工作運用面積,作為22 dB增加收益、+26 dBm飽合瓦數和23% PAE(+5V供電直流電壓)。 HMC498LC4的噪音比率為4 dB,內容輸出IP3為+36 dBm(典例值),要用作低的噪音最前端及動力變成器。 隔直RF I/O配比至50 Ω,運用簡單。 HMC498LC4不用線焊,是可以運用表貼產生新技術。
|
品牌
|
型號
|
描述
|
貨期
|
庫存
|
|
ADI
|
HMC498LC4
HMC498LC4TR
|
中等功率放大器,采用SMT封裝,17 - 24 GHz
|
現貨
|
269
|
HMC498LC4用(yong)
-
點對點無線電
-
點對多點無線電和VSAT
-
測試設備和傳感器
-
軍用最終用途
HMC498LC4優勢和特點
-
輸出IP3: +36 dBm
-
飽和功率: +26 dBm (23% PAE)
-
增益: 22 dB
-
+5V(250 mA)電源
-
50 Ω匹配輸入/輸出
-
符合RoHS標準的4x4 mm SMT封裝
HMC498LC4結構圖
