HMC904LC5/HMC904LC5TRwifi手機電下變頻式器 ADI現貨平臺代辦商
公布時(shi)間(jian)間(jian)隔(ge):2018-07-03 13:45:37 瀏覽器:2395
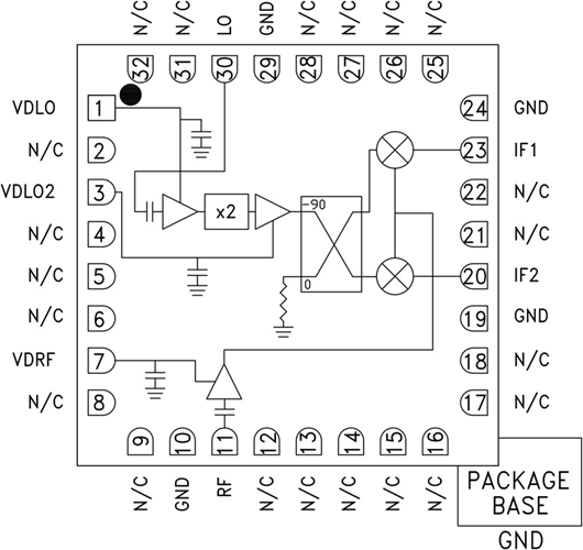
HMC904LC5就是款狹窄型GaAs MMIC I/Q下變頻式器,應用非常符合RoHS規格的無引腳SMT芯片封裝。 該集成電路芯片可以展示 12 dB的小表現轉為增加收益、3 dB的躁音常數,并在頻段條件內可以展示 30 dB的鏡象限制效果。 HMC904LC5應用LNA,后接由有源x2倍頻器驅動程序的鏡象限制混頻器。
該系統映射軟件阻止混頻器能讓LNA以后沒有實用濾波器,并可消掉系統映射軟件率下的熱噪音污染。 它具備I和Q混頻器輸出電壓,所用對外部90°攪拌型配件用來選定 所用邊帶。 HMC904LC5是攪拌型系統映射軟件阻止混頻器下定頻器引擎的微型用作配件,兼容表貼創造方法。
|
品牌
|
型號
|
描述
|
貨期
|
庫存
|
|
ADI
|
HMC904LC5
HMC904LC5TR
|
GaAs MMIC I/Q下變頻器,17 - 24 GHz
|
現貨
|
105
|
技術應用
-
一對一和點對向下移動電
-
軍工汽車雷達、EW和ELINT
HMC904LC5優勢和特點
-
轉換增益: 12 dB
-
鏡像抑制: 30 dB
-
2 LO至RF隔離: 45 dB
-
噪聲系數: 3 dB
-
輸入IP3: 0 dBm
-
32引腳5x5mm SMT封裝: 25mm2
HMC904LC5結構圖
