互聯網行業手游資訊
公布的精力(li):2018-07-03 13:48:22 瀏覽記(ji)錄:1993
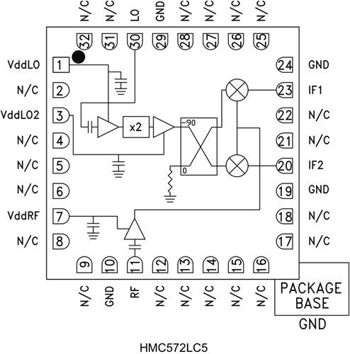
該鏡像抑制混頻器使得LNA之后無需使用濾波器,并可消除鏡像頻率下的熱噪聲。 它具有I和Q混頻器輸出,所需外部90°混合型器件用于選擇所需邊帶。立維創展 ADI期(qi)貨 HMC572LC5為混(hun)合型鏡像抑制(zhi)混(hun)頻器(qi)下(xia)變(bian)頻器(qi)組(zu)件的(de)小型替代(dai)器(qi)件,它無需線焊(han),可以使用表(biao)貼制(zhi)造技術。
| 品牌 | 型號 | 描述 | 貨期 | 庫存 |
| ADI |
HMC572LC5 HMC572LC5TR |
I/Q接收機,采用SMT封裝,24 - 28 GHz | 現貨 | 156 |
HMC572LC5優勢和特點
