HMC666LP4E/HMC666LP4ETR高動態信息區域無源MMIC混頻器 ADI現貨黃金
發表精力:2018-07-05 10:48:57 挑選:7374
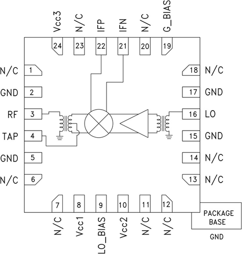
HMC666LP4(E)有的是款高新動態時間范圍無源MMIC混頻器,融合LO圖像運放電路,分為4x4 SMT QFN裝封,工作的頻帶寬度為3.1 - 3.9 GHz。 該元件重視性WiMAX和統一有線軟件帶來+31 dBm的卓越輸出IP3特性以確定下直流變頻空調,LO驅動軟件為0 dBm。 LO表層重視性非常低端LO軟件升級優化。
RF端口設置的鍵入1 dB縮小為+23 dBm,可鼓勵寬空間鍵入4g信號電平。 變換耗率典型示范數值為9 dB。 該一體化電路芯片的DC至800 MHz IF頻率積極響應能考慮WiMAX發射點或推送頻率建設規劃規定要求。 立維創展HMC666LP4(E)與HMC688LP4(E)引腳兼容,后面一種是款2.0 - 2.7 GHz混頻器,一體化LO放小器。
|
品牌
|
型號
|
描述
|
貨期
|
庫存
|
|
ADI
|
HMC666LP4E
HMC666LP4ETR
|
集成LO放大器的SMT BiCMOS混頻器,3.1 - 3.9 GHz
|
現貨
|
235
|
應用領域
-
WiMAX/4G與固定無線
-
基礎設施與中繼器
-
發射機與接收機
-
測試和測量設備
HMC666LP4E優勢和特點
-
高輸入IP3: +31 dBm
-
低轉換損耗: 9 dB
-
低LO驅動: 0 dBm
-
上變頻與下變頻應用
-
針對低端LO輸入優化
-
24引腳、4x4mm SMT封裝: 16mm2
HMC666LP4E結構圖
