業內最新資訊
公布的時間段:2018-07-05 10:57:04 閱讀(du):2474
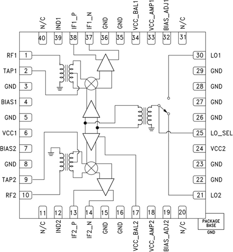
HMC682LP6C(E)是一款高線(xian)性度(du)、雙通道(dao)下變(bian)頻器(qi),集(ji)成LO放大器(qi),采用6x6 SMT QFN封裝,工作頻率為1.7 - 2.2 GHz。 該器(qi)件針對3G和4G GSM/CDMA應(ying)用提供+25 dBm的出色輸(shu)入(ru)IP3性能(neng)以進行下變(bian)頻,LO驅(qu)動為0 dBm。立維創(chuang)展 HMC682LP6C(E)RF端口(kou)的輸(shu)入(ru)1 dB壓(ya)縮為+15 dBm,可(ke)支持寬范圍輸(shu)入(ru)信號電平。 轉換增益典(dian)型值為6 dB。 60 - 400 MHz IF頻率響應(ying)滿足各種GSM/CDMA接收頻率規劃(hua)要求。
| 品牌 | 型號 | 描述 | 貨期 | 庫存 |
| ADI |
HMC682LP6CE HMC682LP6CETR |
高IP3雙通道下變頻器,采用SMT封裝,集成LO開關 ,1.7 - 2.2 GHz |
現貨 | 258 |
HMC682LP6CEAPP
HMC682LP6CE優勢和特點
