業內新聞
發部(bu)時間(jian)間(jian)隔:2018-07-05 11:08:07 瀏覽器(qi):1977
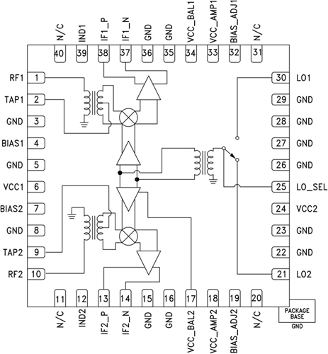
HMC683LP6C(E)是(shi)一(yi)款高線性度、雙通道下變頻(pin)(pin)(pin)器,集成LO放大器,采用(yong)6x6 SMT QFN封裝,工作頻(pin)(pin)(pin)率為(wei)0.7 - 1.0 GHz。 LO驅動為(wei)0 dBm時,3G和4G GSM/CDMA應用(yong)可以獲得(de)+23 dBm的出色輸入IP3下變頻(pin)(pin)(pin)性能。 采用(yong)1 dB (+11 dBm)壓(ya)縮(suo)時,RF端口(kou)支持各種(zhong)輸入信號電平。立維創展HMC683LP6C 轉換增益典型值(zhi)為(wei)7.5 dB。 60 - 500 MHz的IF頻(pin)(pin)(pin)率響應能夠滿足各種(zhong)GSM/CDMA接收頻(pin)(pin)(pin)率規劃(hua)要求(qiu)。
| 品牌 | 型號 | 描述 | 貨期 | 庫存 |
| ADI |
HMC683LP6CE HMC683LP6CETR |
高IP3雙通道下變頻器SMT,集成LO開關,0.7 - 1.0 GHz | 現貨 | 223 |
HMC683LP6CE應用(yong)軟(ruan)件(jian)
HMC683LP6CE優勢和特點
HMC683LP6CE結構圖
