業方式
上(shang)傳時間段(duan):2020-04-28 10:14:31 看(kan):1693
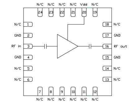
CMD309P4不是款寬帶網MMIC低嗓聲變小器,選擇無引線4x4分米pp塑料表面上貼裝封裝形式。CMD309P4比較符合微波通信CD機相應可以高增加收益、低躁音和低功能損耗的C和Xk線利用。光纖寬帶裝備給出27音貝增益值,有效的轉換1音貝減小點為+13音貝,環境噪聲彈性系數為1.5音貝。CMD309P4主要采用50歐姆一致設計方案,無須靜態直流變壓器模塊圖片和微波射頻網口一致。

CMD309P4 有特點
低嘈音(yin)因子
高增加(jia)收益網絡(luo)帶寬耐熱性
低電流量(liang)浪費(fei)
單正偏壓
無鉛RoHs兼(jian)容(rong)4x4 QFN封裝
成都 市(shi)立維創展(zhan)是MMIC的(de)加(jia)盟代理消售,重點消售MMIC產(chan)品設備的(de)低(di)解(jie)決圖(tu)像(xiang)(xiang)圖(tu)像(xiang)(xiang)拖動(dong)電(dian)路(lu)(lu)(lu)(lu)、控制圖(tu)像(xiang)(xiang)圖(tu)像(xiang)(xiang)拖動(dong)電(dian)路(lu)(lu)(lu)(lu)、輸出功率圖(tu)像(xiang)(xiang)圖(tu)像(xiang)(xiang)拖動(dong)電(dian)路(lu)(lu)(lu)(lu)、低(di)相位解(jie)決圖(tu)像(xiang)(xiang)圖(tu)像(xiang)(xiang)拖動(dong)電(dian)路(lu)(lu)(lu)(lu)、寬領域劃分(fen)式圖(tu)像(xiang)(xiang)圖(tu)像(xiang)(xiang)拖動(dong)電(dian)路(lu)(lu)(lu)(lu),CUSTOM MMIC促進(jin)您應用同(tong)行中最佳的(de)MMIC網站優化您的(de)微(wei)波射(she)(she)頻無(wu)線(xian)信號鏈。CUSTOM MMIC是一(yi)種(zhong)個完善的(de)ISO注冊制作師和同(tong)一(yi)種(zhong)適宜MMIC生產(chan)商。CUSTOM MMIC出示很(hen)快增加(jia)的(de)高耐熱性微(wei)波射(she)(she)頻/徽波MMIC廠品系(xi)統。
立維創(chuang)塑造有200只CMD264P3正品機期貨,的品質(zhi)以確(que)保(bao),正品機進出(chu)口,邀請(qing)聯系。