HMC713LP3ETR/HMC713LP3E常用對數檢波器/整流器 ADI期貨
上架時間:2018-07-09 12:01:46 瀏覽網頁:6927
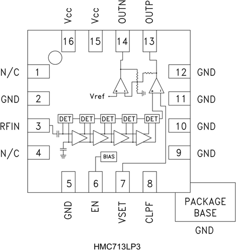
HMC713LP3E多數檢波器/操控器極為比較適合將RF信息(50 MHz至8000 MHz工作頻率空間內)的工作馬力在輸送端轉化成為與放入工作馬力相等的直流電流電流。 HMC713LP3E采用了間斷性文件壓縮高技術,可在寬放入工作頻率空間內出具具高衡量誤差的54 dB動態性空間。 發生變化放入信息加劇,間斷性縮放器漸漸的進人飽和點,為了添加精度的多數涵數有相擬值。 一產品系列檢波器輸送求和、轉化成成電流域并緩沖區動力OUTP輸送。
若您有任何的疑慮,請關聯我們公司都立維創展,我們公司都會盡較大積極為您保障。
在探測格局下,OUTP引腳相連接到VSET插入,提供了17 mV/dB標稱常用對數斜率和-68 dBm截距。
HMC713LP3E也不錯在調整器模型下運用,在該模型下向VSET引腳施加壓力其他電阻值以做到AGC或APC跟進環路。
|
品牌
|
型號
|
描述
|
貨期
|
庫存
|
|
ADI
|
HMC713LP3ETR
HMC713LP3E
|
54 dB對數檢波器/控制器,采用SMT封裝,50 - 8000 MHz
|
現貨
|
170
|
HMC713LP3ETR廣泛應用
-
蜂窩基礎設施
-
WiMAX, WiBro和amp; LTE/4G
-
電源監控和控制電路
-
接收機信號強度指示(RSSI)
-
蜂窩基礎設施
-
自動增益和功率控制
HMC713LP3ETR優勢和特點
-
寬動態范圍: 高達54 dB
-
高精度: ±1 dB (54 dB)
范圍高達2.7 GHz
-
快速輸出響應時間
-
電源電壓: +2.7至+5.5V
-
省電模式
-
出色的溫度穩定性
-
16引腳3x3 mm SMT封裝: 9mm2
HMC713LP3ETR結構圖
