ADMV7710-SX/ADMV7710CHIPS一體化式 E 頻段砷化鎵 (GaAs)微波射頻單面一體化電線 ADI現貨交易
公布的時:2018-06-05 15:46:08 手(shou)機瀏覽:7791
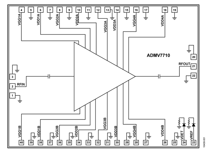
ADMV7710-SX/ADMV7710CHIPS 是款集成型型式 E 頻段砷化鎵 (GaAs) 贗晶高電子廠轉化率更改 (pHEMT)、微波加熱片式集成型型供電電路 (MMIC)、中等偏上耗油率圖像電壓擴大器,都具有片內氣溫補嘗耗油率查重器,工作任務任務的頻率條件為 71 GHz 到 76 GHz。ADMV7710 可利用 4 V 供電供應 24 dB 的增益值控制、28 dBm 的工作任務輸出的(1 dB 文件壓縮)與 29 dBm 的過剩工作任務輸出的耗油率(20% 耗油率浮動轉化率)。ADMV7710 展現出了菁英的非線性度,同時實行了穩定性改善,愈來愈適合 E 頻段網絡通訊和高存儲空間wifi往返wifi電程序。憑借著圖像電壓擴大器性能和高增益值控制,該元器件成了無線剛剛的后來6級警報圖像擴大的理想型取舍。那些數據顯示均由每臺表層去根 3 mil 寬 × 0.5 mil 厚 × 7 mil 長的鍵合帶無線連接的存儲集成塊(建在 50 Ω 檢測固件內)實行數據采集。ADMV7710 以 40 焊盤裸片(存儲集成塊)的手段供應,可在 ?55°C 到 +85°C 的氣溫條件內工作任務任務。
|
品牌
|
型號
|
描述
|
貨期
|
庫存
|
|
ADI
|
ADMV7710-SX/ADMV7710CHIPS
|
具有功率檢測器的 71 GHz 到 76 GHz、1 W E 頻段功率放大器
|
現貨
|
56
|
ADMV7710-SX/ADMV7710CHIPS APP
-
E 頻段通信系統
-
高容量無線回程無線電系統
-
測試和測量
ADMV7710-SX/ADMV7710CHIPS 結構圖

ADMV7710-SX/ADMV7710CHIPS 優勢和特點
-
增益:24 dB(典型值)
-
1 dB 壓縮的輸出功率:28 dBm(典型值)
-
飽和輸出功率:29 dBm(典型值)
-
輸出 3 階交調點:34 dBm(典型值)
-
輸入回波損耗:18 dB(典型值)
-
輸出回波損耗:10 dB(典型值)
-
直流電源:4 V,800 mA
-
無需外部匹配
-
裸片尺寸:2.999 mm × 3.999 mm × 0.05 mm