服務行業咨訊
上線時(shi):2022-12-02 17:07:30 瀏覽(lan)器:877
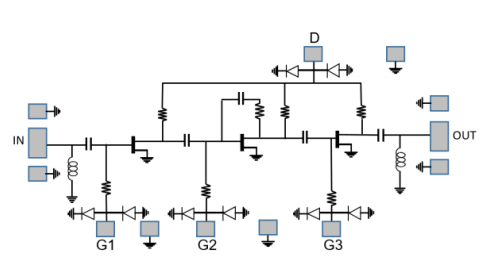
UMS的CHA2352-98F是款三階段片式低燥聲擴大器,能夠在46-52GHz聲音頻率段內確立21dB規則化增益值值和20dB能調收獲抑制(AGC)和3.5dB燥音彈性系數。CHA2352-98F主要包括對各RF訪問就會和DC焊層的ESD保養。
CHA2352-98F縮放器裝修設計適用性(xing)于從工業服務培訓(xun)到(dao)房(fang)間網絡通信(xin)軟(ruan)件系統(tong)的(de)大面積采用。
CHA2352-98F所用pHEMT加(jia)工能力、0.1μm柵極段長度、橫穿基材的通(tong)孔、空(kong)氣當中橋和自動化(hua)束柵幻影刻加(jia)工制作工藝 產生(sheng)生(sheng)產,符合于含(han)帶BCB層保(bao)護(hu)性的裸電源芯片。

注意結構特征
聯通寬帶(dai)能力:46-52GHZ
低嘈音指數公式(shi):3.5db
12dbmPout@1db進(jin)行(xing)壓縮,鍵盤輸入端>10db
高(gao)增加收益:21dbM
BCB層保護措施
非常典(dian)型直(zhi)流電(dian)壓電(dian)偏(pian)壓:Vd=3.3V@ld=55MA
處理芯片(pian)規格尺寸(cun)2x12x0.07mm
UMS徽波用作歐洲(zhou)各國mm波集成ic的(de)(de)(de)(de)代表會的(de)(de)(de)(de)品牌(pai),在芬蘭(lan)和(he)荷蘭(lan)設制有企業(ye)(ye)基底(di)。UMS在全世界(jie)標準內中高端(duan)應(ying)(ying)用軟件市揚支配(pei)權無(wu)法方(fang)式的(de)(de)(de)(de)狀態。UMS供(gong)應(ying)(ying)對于ASIC或(huo)目錄索引護膚品的(de)(de)(de)(de)一體(ti)化新(xin)報價,具(ju)體(ti)依托于工廠企業(ye)(ye)內部的(de)(de)(de)(de)III-V技(ji)術工藝,并供(gong)給多(duo)方(fang)面的(de)(de)(de)(de)合(he)同書(shu)服務(wu)質量,使企業(ye)(ye)可以真(zhen)接創建活動我(wo)自己(ji)的(de)(de)(de)(de)企業(ye)(ye)產品克服方(fang)案格式。從直流電(dian)壓電(dian)到(dao)100GHz的(de)(de)(de)(de)UMS列表貨品均通(tong)過GaAs、Gan、SiGe技(ji)木,有高達獨角獸200W的(de)(de)(de)(de)工率(lv)拖(tuo)動器、混和(he)手(shou)機(ji)信號職能(neng)、極低噪(zao)音污染拖(tuo)動器和(he)完(wan)整性的(de)(de)(de)(de)發送器系(xi)統的(de)(de)(de)(de)。UMS產品以塑膠(jiao)模(mo)具(ju)形(xing)態供(gong)給,但一樣 以多(duo)存儲芯(xin)片(pian)輸(shu)出(chu)模(mo)塊的(de)(de)(de)(de)形(xing)態封裝類型。
成(cheng)都市立維創展新材料技術受限品牌是(shi)UMS的代辦商,專業(ye)課程(cheng)為無限通訊網絡工業(ye)、航天部(bu)通信基站、國防(fang)安全、客車(che)、ism等職業(ye)供應高是(shi)真的嗎性(xing)(xing)頻射(she)徽波mm波器材及ibms電路系統(tong)。UMS好產品使(shi)用QFN和(he)合(he)金模具打(da)包,到(dao)交期短,價位優勢個性(xing)(xing)。讓我們為部(bu)分類(lei)型作(zuo)為高品品質的UMS物料貨源。受歡迎(ying)詳詢。
淘寶手機端了解一下UMS請選擇://m.takasago.net.cn/brand/36.html
AMPLIFIER – ANALOG VGA
Reference | RF Bandwidth (GHz) | Gain | Gain Flatness | Noise Figure | Gain Control Range | P-1dB OUT | Bias | Bias | Case | |
min | max | |||||||||
CHA2352-98F | 46 | 52 | 21 | - | 3.5 | 20 | 12 | 55 | 3.3 | die |