餐飲行業資迅
推送日期:2018-06-06 10:47:01 訪問(wen) :8264
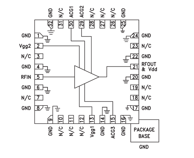
HMC797APM5E是一(yi)種款GaAs MMIC pHEMT區域式瓦數擴大(da)器,事情(qing)規律(lv)面積為(wei)DC至(zhi)22 GHz。該擴大(da)器提拱(gong)13.5 dB收獲(huo)控(kong)制(zhi)(zhi)(zhi)、39 dBm傳輸(shu)電(dian)壓(ya)IP3和(he)+28 dBm傳輸(shu)電(dian)壓(ya)瓦數(1 dB收獲(huo)控(kong)制(zhi)(zhi)(zhi)降(jiang)低),功率為(wei)400 mA(運用+10 V電(dian)源開關)。該多(duo)用途PA在4至(zhi)20 GHz面積內更具正(zheng)收獲(huo)控(kong)制(zhi)(zhi)(zhi)斜率,所(suo)以極其比較合(he)適EW、ECM、預(yu)警雷達和(he)測試(shi)專用設備應用。HMC797APM5E擴大(da)器I/O內控(kong)識別(bie)至(zhi)50 Ω,以便于融合(he)到(dao)多(duo)電(dian)子器件(jian)控(kong)制(zhi)(zhi)(zhi)器(MCM)中,運用無引腳QFN 5×5 mm表貼封裝類型(xing),沒有間接識別(bie)零件(jian)。
| 品牌 | 型號 | 描述 | 貨期 | 庫存 |
| ADI |
HMC797APM5E HMC797APM5ETR |
GaAs pHEMT MMIC 1 W功率放大器,DC - 22 GHz | 現貨 | 55 |
應用軟件
HMC797APM5E優勢和特點
HMC797APM5E結構圖
