的行業最新資訊
上傳時(shi)段:2023-03-20 16:48:52 閱讀(du):794
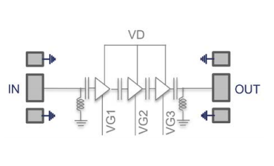
UMS CHA2595-98F是種寬(kuan)帶片式(shi)(shi)低噪聲放大器,具備最前沿的寬(kuan)帶、低噪聲和可調式(shi)(shi)增益值性(xing)能。
CHA2595-98F傾力于寬(kuan)泛(fan)使(shi)用訴求設計構思,從飲水(shui)機(ji)美國軍事到工業服(fu)務質量通信(xin)技術和檢驗的設備(bei)系統(tong)化。
CHA2595-98F建(jian)議選用個(ge)人空間評估方(fang)法(fa)比(bi)較好的pHEMT工藝設備(bei)水平(ping)、100nm柵極間距(ju)、橫穿基本(ben)的材質材料(liao)的通(tong)孔、空氣當中橋和陰(yin)陽離子束柵流(liu)星刻方(fang)法(fa)加工產生。
DC/RF的ESD維護還(huan)包括在(zai)物(wu)品(pin)中(zhong)。

主耍的特點
移(yi)動寬帶(dai)特性(xing):27.5-43.5GHZ
一(yi)般規則化增(zeng)益控(kong)制值:19.5dB
長(chang)見相位燥聲:2db
P1db:11db
最多值:12dbm
OIP3:>20dbm
交(jiao)流電(dian)電(dian)偏置工作電(dian)壓:Vd=3.3V@ld=61mA
規格(ge)型號尺碼:2350x1150um
UMS微(wei)波(bo)加熱用于澳大利亞分米波(bo)單片(pian)(pian)機芯片(pian)(pian)的(de)(de)(de)(de)(de)象征著名牌,在瑞士和美國設立(li)有品牌產業(ye)帶(dai)。UMS在高(gao)度超范(fan)圍內高(gao)品質(zhi)廣泛應用賣(mai)場分配權(quan)難以(yi)(yi)帶(dai)替的(de)(de)(de)(de)(de)國際地位。UMS帶(dai)來了因為ASIC或文件目錄物品的(de)(de)(de)(de)(de)綜合管理來報價(jia),主要是依托于企業(ye)的(de)(de)(de)(de)(de)內部的(de)(de)(de)(de)(de)III-V技木,并提供數據多方面(mian)的(de)(de)(de)(de)(de)委托合同服(fu)務于,使用戶(hu)能(neng)(neng)夠可(ke)以(yi)(yi)直(zhi)接創立(li)你的(de)(de)(de)(de)(de)產品的(de)(de)(de)(de)(de)化解(jie)措施。從直(zhi)流電(dian)壓電(dian)到(dao)(dao)100GHz的(de)(de)(de)(de)(de)UMS目錄索引物料均(jun)對于GaAs、Gan、SiGe科(ke)技,收(shou)錄達到(dao)(dao)200W的(de)(de)(de)(de)(de)電(dian)機功率調(diao)小(xiao)(xiao)器、混后網絡信號能(neng)(neng)力(li)、超底燥聲調(diao)小(xiao)(xiao)器和完整詳細(xi)的(de)(de)(de)(de)(de)收(shou)發員器軟件。UMS貨(huo)品以(yi)(yi)摸(mo)具的(de)(de)(de)(de)(de)表(biao)現形式帶(dai)來了,但普通(tong)以(yi)(yi)多集(ji)成(cheng)塊功能(neng)(neng)的(de)(de)(de)(de)(de)的(de)(de)(de)(de)(de)表(biao)現形式芯片(pian)(pian)封裝。
鄭(zheng)州(zhou)市立維創展自動化限制(zhi)(zhi)總部是(shi)UMS的微商(shang)代(dai)理(li)商(shang)加盟,非常專業為有線(xian)通迅過程、航空基站(zhan)設(she)備、中國國防、小轎車、ism等產(chan)業保證高能信性(xing)紅(hong)外(wai)光(guang)射頻紅(hong)外(wai)光(guang)分(fen)米波電子(zi)元件(jian)及智(zhi)能家(jia)居控(kong)制(zhi)(zhi)線(xian)路(lu)。UMS產(chan)品進(jin)行QFN和沖壓模具(ju)包裝設(she)計,快速交貨,工程團(tuan)隊不(bu)斷突(tu)破工藝瓶頸,根據不(bu)同產(chan)品的特性(xing),制(zhi)(zhi)定不(bu)同的生產(chan)工藝期短(duan),定價優點(dian)多樣。我(wo)們大家(jia)為很多尺寸(cun)提高高素質的UMS物品交易(yi)量。喜愛聯系。
詳細信息知道UMS請點一下://m.takasago.net.cn/brand/36.html