產業新聞咨詢
發(fa)部時期:2023-03-24 16:38:30 瀏覽訪問:1152
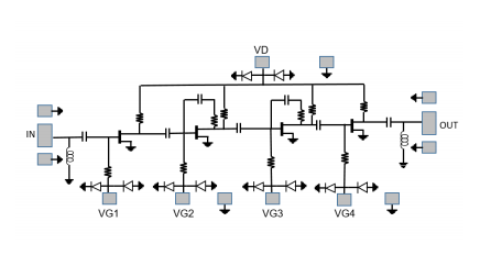
UMS CHA2368-98F是款四級單片低噪聲放大器,在50-71GHz頻率段內具備(bei)21dB線性增(zeng)益值和(he)(he)3.5dB相(xiang)位噪聲。CHA2368-98F包(bao)括對(dui)各(ge)個RF瀏覽(lan)和(he)(he)DC焊層的ESD保(bao)護。
CHA2368-98F設(she)汁中用從業務(wu)到發展空間通信網絡(luo)控制(zhi)系(xi)統的選用的領域(yu)。
CHA2368-98F使(shi)用(yong)的(de)pHEMT的(de)工藝(yi)高技術、0.1μm柵極長寬(kuan)高、橫穿基本的(de)材質(zhi)材料的(de)盲(mang)孔(kong)、自(zi)然空(kong)氣橋(qiao)和陽離子束柵流星刻加(jia)工制作工藝(yi) 生產(chan)的(de)打造,適(shi)于于有BCB層庇(bi)護的(de)裸處理芯片(pian)。

基本表現形式
任務(wu)頻段(duan):50-71GHz
相位環境噪聲:3.5db
P1db:12dB
增加收益值:21db
增益值掌握:30db
BCBlaver保養
常有直流電流電偏置電流:Vd=3.3V@ld=75MA
心片(pian)長寬(kuan)2.57mmx1.17mmx0.07mm
UMS微波射頻對于歐式(shi)(shi)豪米(mi)波電(dian)子器(qi)件的(de)(de)(de)(de)(de)帶(dai)表茶(cha)葉品(pin)(pin)牌(pai),在(zai)德(de)國的(de)(de)(de)(de)(de)和法設備有產(chan)業(ye)鏈園區(qu)(qu)。UMS在(zai)世(shi)界區(qu)(qu)間(jian)內一個(ge)應用領域行業(ye)市場具有無法代替的(de)(de)(de)(de)(de)身份。UMS供給(gei)應用于ASIC或的(de)(de)(de)(de)(de)目(mu)錄好產(chan)品(pin)(pin)的(de)(de)(de)(de)(de)結合價格(ge)查詢,主(zhu)要的(de)(de)(de)(de)(de)源于公(gong)司的(de)(de)(de)(de)(de)外部的(de)(de)(de)(de)(de)III-V技(ji)術,并供應新(xin)一輪的(de)(de)(de)(de)(de)勞務合同貼心服(fu)(fu)務,使(shi)買家(jia)能夠會直接(jie)新(xin)創(chuang)建(jian)屬于自己的(de)(de)(de)(de)(de)好產(chan)品(pin)(pin)克(ke)服(fu)(fu)預案。從直流電(dian)源電(dian)到(dao)100GHz的(de)(de)(de)(de)(de)UMS分類目(mu)錄品(pin)(pin)牌(pai)均(jun)通過(guo)GaAs、Gan、SiGe工藝(yi),包擴到(dao)達200W的(de)(de)(de)(de)(de)額定功率增(zeng)加(jia)器(qi)、混合物(wu)移動信號基本功能、非常低燥聲增(zeng)加(jia)器(qi)和完美的(de)(de)(de)(de)(de)發送(song)器(qi)操作(zuo)系統(tong)。UMS企(qi)業(ye)產(chan)品(pin)(pin)以硅(gui)膠模(mo)具的(de)(de)(de)(de)(de)方(fang)式(shi)(shi)供給(gei),但一般來說以多電(dian)子器(qi)件輸出模(mo)塊(kuai)的(de)(de)(de)(de)(de)的(de)(de)(de)(de)(de)方(fang)式(shi)(shi)二(er)極管封裝。
西安市立維創展(zhan)技(ji)術有效平臺是(shi)UMS的(de)代理加(jia)盟商(shang),專業技(ji)術為wifi通信網絡工程施工、航空基站天線(xian)、防御、小車、ism等業內(nei)帶來了高靠譜性rf射頻徽波mm波器材及(ji)集成(cheng)化用電線(xian)路。UMS物品采用了QFN和(he)機床內(nei)包裝,出供貨期(qi)短,成(cheng)本(ben)主要優勢多樣。我門(men)為某些規(gui)格具(ju)備高產(chan)品量(liang)的(de)UMS服務貨源。歡迎圖片管理咨詢。
祥情熟知UMS請打開://m.takasago.net.cn/brand/36.html