這個行業新聞資訊
公布的時間:2023-04-14 16:55:06 瀏覽網頁:1305
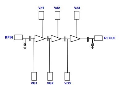
UMS CHA3395-98F是款(kuan)3級(ji)單(dan)片中功(gong)率放大器,能夠在1dB壓縮時為20dBm輸出功(gong)率形成24dB增益值。
CHA3395-98F著力于打造于從面積到(dao)金融業的服務通(tong)信技術體系(xi)的重視應運而規劃(hua)。
CHA3395-98F動用pHEMT生產生產工藝流程設備(bei)、0.25μm柵極尺寸、橫穿基面材料的通孔、空(kong)氣(qi)的橋(qiao)和(he)電子技術束柵幻(huan)影刻方法(fa)生產銷售產生。
CHA3395-98F以基帶(dai)芯片方式保證(zheng)。

最主要表現形式
聯(lian)通寬帶能:21-30GHZ
減小(xiao)1db時為20dbm
24db收(shou)獲值
32dbm OTOI
直流電源電偏置電壓值:Vd=4.OV.Id=180MA
心片大小1.5x2.5x0.1mm
UMS徽波(bo)做瑞士公分波(bo)存(cun)儲芯片的(de)(de)(de)象征的(de)(de)(de)品(pin)(pin)牌,在瑞士和國(guo)外設備有工業基地面積。UMS在世界各國(guo)空間內(nei)高(gao)端大氣廣泛(fan)應用(yong)(yong)賣場占有權(quan)不可重復使用(yong)(yong)的(de)(de)(de)身(shen)份(fen)。UMS提拱通過ASIC或文(wen)件目錄產(chan)品(pin)(pin)的(de)(de)(de)融合價格查詢(xun),核心對(dui)于大公司內(nei)外部的(de)(de)(de)III-V技木,并(bing)給予周到(dao)的(de)(de)(de)勞務(wu)協議服務(wu)培訓(xun),使用(yong)(yong)戶也(ye)可以會撰寫我(wo)自己的(de)(de)(de)類(lei)產(chan)品(pin)(pin)完(wan)(wan)成方案范文(wen)。從電流電到(dao)100GHz的(de)(de)(de)UMS分類(lei)目錄廠品(pin)(pin)均(jun)依據GaAs、Gan、SiGe技術(shu)水平,例如達到(dao)200W的(de)(de)(de)耗油率(lv)變成器、混合型喂(wei)養手機(ji)信號功能鍵、超高(gao)背景(jing)噪聲變成器和完(wan)(wan)美的(de)(de)(de)發送器軟件系(xi)統。UMS物料以注(zhu)塑模具類(lei)型出示,但一半(ban)以多集(ji)成塊電源模塊的(de)(de)(de)類(lei)型裝封。
廣州市立維創展科(ke)技總部較(jiao)少總部是UMS的一級代理商加盟,專業為無限光纖(xian)通信工程(cheng)項目、航(hang)空航(hang)天移動(dong)基站(zhan)、國防軍(jun)事、機動(dong)車、ism等服務業提供(gong)了高穩定(ding)性rf射頻微波(bo)射頻厘米(mi)波(bo)結合(he)電源電路芯片及結合(he)電源電路。UMS成(cheng)品通過QFN和摸(mo)具(ju)包裝盒,發供(gong)貨期短,價錢勝機特有。立維創展可(ke)存有些主要參(can)數(shu)UMS的產品庫存盤點。誠邀(yao)了解和咨(zi)詢。
內容熟知 UMS請單擊://m.takasago.net.cn/brand/36.html