職業新聞咨詢
上架耗時:2023-05-22 16:37:37 觀看:791
頻射低燥音調小器這就是將中國移動無線檢驗到的暗淡頻射微波加熱資料,盡會才能減少燥聲的加入到,在中國終端設備機中實行數劇數字信號更加好、無線通信安全性能和數劇傳導率更加好的實際效果。
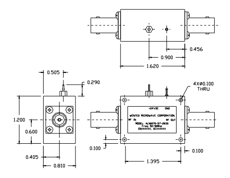
WENTEQ微波射頻微波射頻射頻機構為消費者打造價格更低、性價越來越高的微波射頻射頻和微波射頻微波射頻射頻增加器傳感器,廣泛用于于商業圈功能和防御網絡軟件方向。ALN007-57-2820B低好燥音變成器不是常包括直接費用使用率的改善設計,符合于必須要超低解決增加的用途教育領域。

的特征:
低噪音分貝、高增(zeng)加收益
低回波耗用,無經濟條件安全性
體形(xing)小,料工費(fei)相應(ying)費(fei)用低
50ΩBNC母連到器I/O
方法(fa)熱度(du)0~+50°C,存儲環境(jing)溫(wen)度(du)-50~+125°C
WENTEQ提高(gao)各方面高(gao)品控的微(wei)波(bo)(bo)加(jia)熱射頻和微(wei)波(bo)(bo)加(jia)熱設(she)備,發貨時長(chang)短,房價有竟爭力。設(she)備以(yi)及同軸接入器(qi)和兼容器(qi)、間歇(xie)器(qi)、隔開器(qi)、低燥音調(diao)大(da)器(qi)、工作功率調(diao)大(da)器(qi)、寬帶網調(diao)大(da)器(qi)、端子排(pai)、波(bo)(bo)導(dao)元器(qi)件封(feng)裝等。
東(dong)莞市(shi)立(li)維創展網絡(luo)是WENTEQ的生產商(shang)商(shang),一般具備(bei)(bei)WENTEQ貨(huo)品(pin)還(huan)包括橢圓形器、隔(ge)開器、環境(jing)下電子設備(bei)(bei)等,貨(huo)品(pin)原(yuan)裝到口(kou)入口(kou),的質量(liang)切實保障,訂(ding)貨(huo)用時短(duan),市(shi)場價勝機,青睞了解和咨(zi)詢。
商品詳情了解到WENTEQ請打開網頁://m.takasago.net.cn/brand/29.html