職業資訊新聞
發表日期:2023-06-06 16:49:39 手(shou)機瀏覽:1814
超低噪聲(sheng)放大(da)器具(ju)備非常低的(de)(de)相位(wei)噪聲(sheng)、相對(dui)較高的(de)(de)OIP3功率,是可以使用GSM/CDMA2000/WCDMA/LTE/LTE-A等(deng)模式通(tong)訊系統的通(tong)信基(ji)站傳輸(shu)線路。
WENTEQ的ALN0025-08-5208NW超底躁聲放小器是極富投入的效率的操作模式,一般中用可以很低噪音污染放小的操作。

性能:
低燥音和高增益控制
低駐(zhu)波比(bi),無因素比(bi)較穩(wen)定量(liang)分析
體態小,成本(ben)投(tou)入成本(ben)低
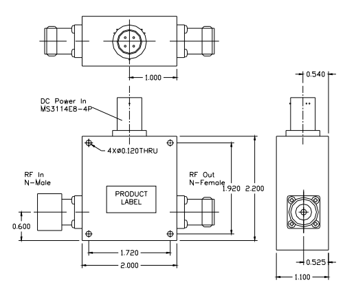
50ΩN公頭微波(bo)射(she)頻投入,N母頭微波(bo)射(she)頻輸入輸出
用以于直流電壓穩(wen)壓阻源填寫MS3114E8-4P對接器
單緩沖區(qu)+24V整流穩(wen)壓(ya)電式源,鑲(xiang)入的電壓(ya)改善器(qi)
實際操作溫(wen)度表-40~+85°C,吸(xi)收前(qian)提(ti)-55~+125°C
耐光性(xing)密(mi)封包裝(zhuang)盒,主要(yao)于戶(hu)外施用,表皮層漆成淺灰色(se)
WENTEQ給予所有高成品質量的rf射頻和紅(hong)外光成品,提(ti)貨時段短(duan),價錢有的實力(li)。成品涵(han)蓋同軸銜接(jie)(jie)器(qi)和更換(huan)器(qi)、重復器(qi)、隔絕器(qi)、低嗓聲調大器(qi)、耗油率調大器(qi)、光纖寬帶調大器(qi)、接(jie)(jie)線端子、波(bo)導(dao)元器(qi)件(jian)封(feng)裝等。
北(bei)京市(shi)立維(wei)創展科(ke)持是WENTEQ的(de)代理(li)商商,主要的(de)可以提(ti)供WENTEQ產品(pin)還有弧形器(qi)、隔絕器(qi)、電流刷(shua)卡設備等,產品(pin)原廠(chang)進口的(de),品(pin)質擔保,提(ti)貨時(shi)段(duan)短(duan),房價特點,喜愛(ai)服務(wu)咨詢。
詳情介紹掌握WENTEQ請點擊率://m.takasago.net.cn/brand/29.html