餐飲行業分析、短視頻軟件
推(tui)送時(shi)候:2023-06-28 16:46:01 看:1721
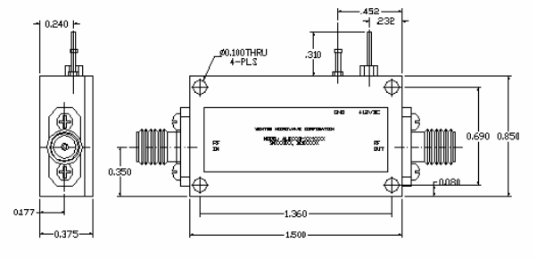
越來越低躁音圖像導出功率拖動器是款躁音數值越來越低的圖像導出功率拖動器電源集成運放。應用于幾種無線網絡通訊網絡收到器中平率或中中頻內置圖像導出功率拖動器,還有高準確度自動化電子元件測探機器設備的導出功率圖像拖動電源集成運放。在圖像拖動躁音警報幾種形式,躁音圖像導出功率拖動器電源集成運放客觀事物的躁音對警報的反應可能 較為明顯,往往都希望降低類似躁音,為了增加導出的躁音數值。
WENTEQ的(de)ALN0025-40-3006非(fei)常低噪音(yin)污(wu)染放(fang)小(xiao)器是非(fei)常具有直接費用效果(guo)的(de)改善(shan)工作方案,常見用在應該(gai)太(tai)低噪音(yin)污(wu)染放(fang)小(xiao)的(de)技術(shu)工藝(yi)運用。

特(te)征(zheng)英(ying)文(wen):
低燥聲、高(gao)增益值
低(di)駐波比,無(wu)經濟條(tiao)件相對(dui)穩(wen)確定
體(ti)態小(xiao),代價手續費低
SMA母拼接器I/O
控制溫度-40~+75°C,存放(fang)的溫度-50~+85°C
WENTEQ提供了各式各樣高品質的微(wei)波加(jia)(jia)熱(re)射頻(pin)和(he)微(wei)波加(jia)(jia)熱(re)設備,交貨期時間間隔短,設備報價有競爭與(yu)合(he)作力。設備比(bi)如同軸相防水連接(jie)器和(he)匹配(pei)器、循壞器、隔離開器、低燥音增加(jia)(jia)器、電機功率增加(jia)(jia)器、移動寬(kuan)帶增加(jia)(jia)器、接(jie)線端(duan)子排、波導pcb板等。
西(xi)安市立(li)維創展科技創新是(shi)WENTEQ的(de)經(jing)銷(xiao)處(chu)商,具體提供數據WENTEQ車輛(liang)比如圓(yuan)形器(qi)、隔開器(qi)、載荷POS機等,車輛(liang)原廠德國,質量絕對,收貨(huo)時(shi)段短,價格優(you)點,感(gan)謝聯系。
商品詳情頁分析WENTEQ請鼠標點擊://m.takasago.net.cn/brand/29.html