市場新聞資訊
披露時間(jian):2023-07-14 16:45:32 挑選:1250
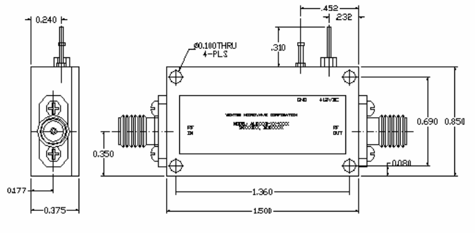
WENTEQ的ALN0090-22-5006低躁聲調大器是款相位躁聲非常低的的輸出的輸出調大器。一般說來身為所有無線wifi通迅發送到器高頻率或中高頻前制調大器,非常高精確度電子為了滿足電子時代發展的需求,遙測檢測儀器的調大器電路設計。在調大微波射頻微亮4g手機信號的情形下,的輸出的輸出調大器這種的躁聲對4g手機信號的損害某些對比比較嚴重,往往想法減輕相似躁聲,而上升的輸出的躁聲比率。ALN0090-22-5006中用于GSM/CDMA2000/WCDMA/LTE/LTE-A等型號規格通訊設備設計的通訊網絡移動通信基站收發時延。

本質特征:
低解決、高增加收益
低(di)駐波比,無必備條(tiao)件穩相關性高性
身材比例小,成(cheng)本費保(bao)險費用低
SMA母(mu)相(xiang)接插件I/O
的(de)操作高溫-40~+75℃,貯存(cun)濕度-50~+85℃
WENTEQ提(ti)高各(ge)種各(ge)樣的高品性的微(wei)波通信射(she)頻(pin)和微(wei)波通信貨(huo)品,發貨(huo)時候短(duan),多(duo)少錢(qian)有實力力。貨(huo)品收(shou)錄同軸接(jie)入器(qi)和更換器(qi)、間(jian)歇器(qi)、隔離(li)防曬器(qi)、低躁(zao)聲縮放(fang)器(qi)、額定功率縮放(fang)器(qi)、帶(dai)寬(kuan)縮放(fang)器(qi)、接(jie)線端(duan)子、波導開(kai)關元(yuan)件等。
成(cheng)都(dou) 市立維創(chuang)展技術是WENTEQ的分銷商(shang)商(shang),具體提供了WENTEQ新(xin)好產(chan)品包擴環型(xing)器(qi)、防(fang)護器(qi)、阻抗(kang)銷售終端等,新(xin)好產(chan)品原裝(zhuang)到口國外,產(chan)品做到,訂(ding)貨時期短,定價(jia)特點(dian),迎接顧問(wen)。
商品詳情頁明白WENTEQ請點://m.takasago.net.cn/brand/29.html