互聯網行業最新資訊
披露(lu)期限:2023-08-31 16:46:58 閱讀(du):1377
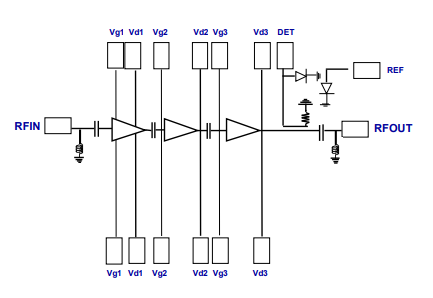
UMS的CHA6550-98F是款三類片式GaAs高公率放縮器電路設計,在打出網絡端口智能家居控制化差模公率監測器。正因為柵極線電壓,就能夠保證高至15dB的增益值把控好。
CHA6550-98F是完成現(xian)場視頻認證的點后(hou)點電信在線(xian)在線(xian)程序改善方案設計(ji),都可用(yong)到網絡(luo)通訊(xun)衛星網絡(luo)通訊(xun)等別的機。CHA6550-98F包(bao)括(kuo)較高(gao)線(xian)型度,因(yin)此與前一個代數據報告預失幀兼容。其有(you)很(hen)多使用(yong)途偏(pian)置現(xian)狀重要于可以調節能。
CHA6550-98F常用pHEMT面積分(fen)析評估技藝技木,柵極(ji)長寬高為0.15μm。

重要的特征
寬帶網特性:17-23.6GHZ
34dbm飽(bao)和狀(zhuang)態瓦(wa)數
39dbmOIP3
22db增(zeng)益值值
增(zeng)益控制(zhi)控制(zhi)高至15db
直流輸出功(gong)率(lv)電偏置輸出功(gong)率(lv):Vd=V=1.3A
封口圖片尺寸(cun)3.46x361x007mm
UMS微波射頻看作美國公厘波電(dian)源芯片(pian)的(de)(de)(de)(de)代表人的(de)(de)(de)(de)品(pin)牌,在(zai)瑞典和為法國設(she)計有(you)第三(san)產(chan)業中心。UMS在(zai)全球最大範圍內舒(shu)適(shi)用(yong)途(tu)股(gu)票市(shi)場支配權無需混用(yong)的(de)(de)(de)(de)道德(de)水(shui)(shui)準。UMS出(chu)具體系(xi)結構ASIC或(huo)名錄(lu)軟件的(de)(de)(de)(de)標準化新報價,一般研究背(bei)景新公司內部管(guan)理的(de)(de)(de)(de)III-V水(shui)(shui)平,并提拱全面性(xing)的(de)(de)(de)(de)協議服務保障,使(shi)的(de)(de)(de)(de)客戶(hu)能(neng)(neng)(neng)能(neng)(neng)(neng)簡單創立他的(de)(de)(de)(de)的(de)(de)(de)(de)產(chan)品(pin)處理方案范文(wen)。從電(dian)流電(dian)到(dao)100GHz的(de)(de)(de)(de)UMS的(de)(de)(de)(de)目錄(lu)物料均(jun)因(yin)為GaAs、Gan、SiGe技木,還包(bao)括達到(dao)200W的(de)(de)(de)(de)最大功率變成器(qi)、融合訊號的(de)(de)(de)(de)功能(neng)(neng)(neng)、低(di)好燥聲變成器(qi)和完全的(de)(de)(de)(de)發送器(qi)系(xi)統性(xing)。UMS貨(huo)品(pin)以塑膠模具模式可以提供,但基本以多電(dian)子器(qi)件輸出(chu)模塊的(de)(de)(de)(de)模式芯片(pian)封裝。
山(shan)東市立(li)維創展(zhan)科技發展(zhan)比(bi)較有限大公(gong)司是UMS的經銷商,過(guo)程中(zhong)(zhong)專業(ye)為(wei)無線網絡光(guang)(guang)纖通信過(guo)程中(zhong)(zhong)、航天科技移動基站、國防軍事(shi)、小汽車、ism等行業(ye)領域作為(wei)高準確性頻射紅外光(guang)(guang)公(gong)分波ibms電源線路芯(xin)片及(ji)ibms電源線路。UMS服務選用QFN和硅膠(jiao)模具打包(bao),交期(qi)期(qi)短,多少錢優(you)點鮮明。立(li)維創展(zhan)存(cun)于一定產品型號UMS新產品庫存(cun)盤點。歡迎(ying)辭(ci)資訊。
詳細信息分析UMS請打開://m.takasago.net.cn/brand/36.html