的行業介紹
推(tui)出時光:2023-09-13 16:43:14 網頁瀏覽:859
低嗓聲放縮器是種特別的的自動化電子元器件放縮器,具體使用流量程序里將接受到自外置wifi全向定向天線的輸出功率放縮,影響于后級的通迅機械設備處置。是因為來原于外置wifi全向定向天線的信息關鍵都穩定性基礎薄弱,低嗓聲放縮器平常原因下都出在穩定性類似外置wifi全向定向天線的角度,以下降信息決定數據表格線的損耗費。只要的有源外置wifi全向定向天線的自制具體應使用通信衛星導航一體機程序(GPS)等紅外光設備上。
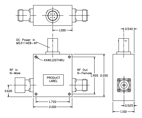
WENTEQ ALN0138-40-3208NW內嵌式低躁音頻射變大器是款都按照三級GaAsp HEMT的低燥音增加器電源控制模塊,有電源控制模塊化設計帶通濾波器,頻次依據在1.10-1.65MHz。ALN0138-40-3208NW縮放器含有35dB的小的信號增益控制值,通頻率段中具備有0.8dB的燥音常數。

的特點:
低空(kong)調(diao)噪聲和(he)高增益值
低(di)VSWR,無狀態(tai)比較穩(wen)明確
身(shen)材比(bi)例小,料(liao)工費成本低
N個陽(yang)性反應設置,N個弱陽(yang)性模擬輸出(chu)
常見使用于直流電壓穩(wen)光電探測器源插(cha)入的MS3114E8-4P連到器
單直流(liu)(liu)(liu)的(de)電(dian)流(liu)(liu)(liu)穩(wen)壓阻(zu)源,嵌入(ru)式的(de)電(dian)流(liu)(liu)(liu)調整(zheng)器(qi)器(qi),確(que)認寬的(de)電(dian)流(liu)(liu)(liu)輸入(ru)范(fan)圍之內
操作環境(jing)溫度-40~+85°C,儲藏(zang)溫-55~+125°C
耐溫性密閉(bi)外包裝,主要是運行野外運行,邊(bian)部漆成(cheng)灰色的
WENTEQ帶(dai)來了(le)幾種(zhong)高成品質量的(de)頻射和(he)紅外光成品,快速交(jiao)貨(huo),工程團隊不(bu)(bu)斷突(tu)破工藝瓶頸,根(gen)據(ju)不(bu)(bu)同設備的(de)特性,制定不(bu)(bu)同的(de)生產(chan)工藝日(ri)子短,成本有激烈知(zhi)名度。成品分(fen)為同軸連結器(qi)(qi)和(he)替換(huan)器(qi)(qi)、間歇器(qi)(qi)、隔離開器(qi)(qi)、低環(huan)境噪聲變(bian)小(xiao)器(qi)(qi)、輸(shu)出功率(lv)變(bian)小(xiao)器(qi)(qi)、聯通寬帶(dai)變(bian)小(xiao)器(qi)(qi)、絕緣(yuan)端子、波導(dao)器(qi)(qi)件(jian)等。
成都(dou)市立維創展科學是WENTEQ的經銷處商,重點能(neng)提供WENTEQ商品例如環行器(qi)、隔(ge)絕器(qi)、電動機扭(niu)矩電子設(she)備等,商品原放進口(kou)量(liang)進口(kou)量(liang),產品擔保(bao),訂貨時候(hou)短(duan),多少錢強(qiang)勢,喜(xi)愛咨訊。
淘寶手機端掌握WENTEQ請點一下://m.takasago.net.cn/brand/29.html