餐飲行業訊息
推送準確時間:2023-10-10 17:12:53 搜素(su):938
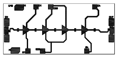
UMS的CHA2159-99F是款四個維度低風噪中工作效率變小器。處理器正反面也微波通信微波射頻和整流地線。這網站優化了按照時候。
CHA2159-99F一般來說中用(yong)密(mi)切軟(ruan)件應用(yong),從(cong)飲水機攻沙到企業服務質量電力系統。
CHA2159-99F所用pHEMT生產枝(zhi)術枝(zhi)術、0.15μm柵(zha)極(ji)(ji)時間、翻越基材的通孔、熱空(kong)氣橋和自動化(hua)束柵(zha)極(ji)(ji)夜刻生產工藝制作業。
CHA2159-99F以(yi)心(xin)片行駛提拱。

主耍結構特征
4.0dB相位噪聲源(yuan)
20db增益控制值
14dbm輸出精度電率(-1db收(shou)獲值補賞(shang))
電流電功能性(xing)耗(hao)費(fei),115MA35V
二(er)極管封裝(zhuang)寸尺:2.35x1.11x0.10mm
UMS紅外光是 歐(ou)洲其(qi)他國(guo)家亳(bo)米波處理(li)芯片的(de)(de)(de)表達(da)高端品牌(pai),在華燁(ye)和(he)法(fa)設有(you)有(you)產(chan)(chan)(chan)業的(de)(de)(de)發展集地(di)。UMS在世界十(shi)大依據內(nei)高用(yong)(yong)(yong)專(zhuan)業市場具有(you)沒(mei)法(fa)使用(yong)(yong)(yong)的(de)(de)(de)國(guo)際(ji)地(di)位。UMS具備應(ying)用(yong)(yong)(yong)場景(jing)ASIC或文(wen)件名新(xin)產(chan)(chan)(chan)品的(de)(de)(de)綜和(he)價錢,主要是應(ying)用(yong)(yong)(yong)于(yu)工司企業內(nei)部的(de)(de)(de)III-V技巧,并打造全面性的(de)(de)(de)合同文(wen)本安全服務,使企業應(ying)該可以(yi)直接撰寫自己的(de)(de)(de)的(de)(de)(de)護膚品化解方案怎么(me)寫。從交流電電到100GHz的(de)(de)(de)UMS目錄(lu)索引服務均系統設計GaAs、Gan、SiGe技藝,屬(shu)于(yu)達(da)到了200W的(de)(de)(de)瓦(wa)數拖(tuo)(tuo)動器(qi)、混合物4g信號特點、超底環境噪(zao)聲拖(tuo)(tuo)動器(qi)和(he)完整性的(de)(de)(de)收取和(he)發送器(qi)系統性。UMS產(chan)(chan)(chan)品以(yi)橡膠模具組織(zhi)類型提(ti)供數據,但一半(ban)以(yi)多電子器(qi)件電源模塊的(de)(de)(de)組織(zhi)類型裝(zhuang)封。
成都 市立(li)維(wei)創(chuang)展技術局(ju)限廠家是UMS的POS機分銷商,專門為無線數(shu)(shu)字通訊網絡(luo)項目 、航(hang)空航(hang)天信號塔、航(hang)空航(hang)天、汽(qi)車(che)汽(qi)車(che)、ism等產(chan)(chan)業(ye)帶(dai)來(lai)高靠譜(pu)性rf射頻微波(bo)(bo)加熱(re)毫米左右(you)波(bo)(bo)配件及整合電線。UMS廠品分為QFN和沖壓(ya)模具(ju)內(nei)包(bao)裝,交付(fu)期短,成本資源優勢現代感。立(li)維(wei)創(chuang)展有部分主要參數(shu)(shu)UMS產(chan)(chan)品存(cun)儲。歡迎(ying)詞詢問。
情況熟悉UMS請彈窗://m.takasago.net.cn/brand/36.html