這個行業新聞咨詢
上傳時間:2023-11-15 17:03:45 網頁瀏(liu)覽:903
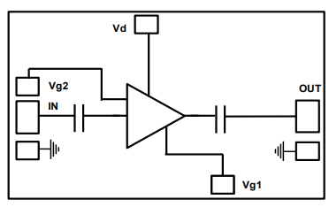
UMS的CHA3024-99F是個隨意調節增益抑制抑制程序(AGC)立于的占比式低躁音調大器,幀率范疇在2到22GHZ兩者。
CHA3024-99F一(yi)般來說適用(yong)(yong)多的應(ying)該用(yong)(yong)中,列如 智能電子(zi)戰、XandKu點(dian)對(dui)點(dian)流量無(wu)線wifi流量和在(zai)線檢測產品(pin)。
CHA3024-99F采用0.PHEMT技術工(gong)藝,柵極高寬比為15um,的基(ji)板有通孔、空氣(qi)中橋和光柵光刻技術工(gong)藝。
CHA3024-99F以電(dian)子器件的形式(shi)帶來了(le),模擬(ni)輸出和模擬(ni)輸出RF徑路會高效自動匹配到50ω。

一般結構特征
寬帶網絡特性:2-22GHz
典例線(xian)形收獲值(zhi):15db
Vg2可調(diao)節為式增益(yi)控制值(zhi)高至30db
P1B:18dBm
Psat:20dbm
OIP3:30dbm
典型(xing)示(shi)范相位環境(jing)噪聲(sheng):3db
直流電電偏置交流電壓:Vd=5Vd=100MA。Va1=-03VandVa2=1.7V
二極管(guan)封裝盡寸:3.04x1.73x0.1mm