市場新聞咨詢
分享時長:2023-11-20 16:57:14 打開網頁:781
較低燥聲放縮器有的是種有點的電電功率放縮器,其基本特征是將預警電電功率放縮,將燥聲攪擾減到最便宜。較低燥聲放縮器重要廣泛用于要求高控制精度預警放縮的對應領域,如治療議器、現場實驗議器、通迅網絡體系等。
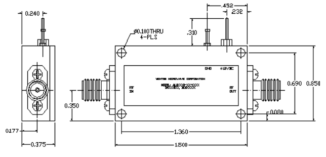
ALN0260-12-3308極(ji)低環(huan)境(jing)噪聲變大器只(zhi)需要(yao)有一個正(zheng)DC穩(wen)光電(dian)(dian)探測器源。其(qi)植(zhi)入式DC輸出(chu)功(gong)率(lv)穩(wen)壓器和返向輸出(chu)功(gong)率(lv)化學性質輸出(chu)功(gong)率(lv)保養的支持ALN0260-12-3308較低噪聲源拖動器可在(zai)各類DC調理(li)改善24v電(dian)(dian)源電(dian)(dian)阻值下數學作業,齊(qi)全不可能應響徽(hui)波頻(pin)射能力產品參數。

特證:
低噪音源、高增益值
低VSWR,無經(jing)濟條件動態(tai)平衡(heng)性
身型小,投(tou)資成本(ben)成本(ben)低(di)
SMA母連接方式器I/O
的(de)操作環(huan)境(jing)溫度-40~+85°C,存儲環(huan)境(jing)-50~+125°C