這個行業介紹
發布的(de)時刻:2023-11-24 17:19:34 預覽:925
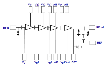
CHA6653-98F是款4級片式Gaas高瓦數變小器,可以行成1.8w的讀取最大功率。CHA6653-98F是高規則化的,滿足收獲操控能,并一體化化功效測量器。涉及到ESD確保。
CHA6653-98F專為(wei)聯(lian)通(tong)寬帶廣泛應用需求(qiu)量設定。
CHA6653-98F配用PHEMT工藝設備(bei)技術,柵(zha)極規(gui)格尺寸為0.15um。

大部分有特點
移動寬帶耐腐蝕性:27-34GHZ
32dbm飽(bao)和點電率
38dbmOIP3
23db增(zeng)益(yi)值值
直流電(dian)源電(dian)偏置(zhi)端(duan)電(dian)壓(ya):Vd=6伏ldq=0.9A
打包(bao)封裝面積3.61x3.46x0.07mm