互聯網行業新聞咨詢
上(shang)傳時(shi)刻:2024-02-26 17:17:51 瀏(liu)覽(lan)器:1230
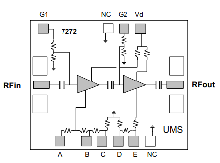
UMS的CHA2066-99F是款多級聯通寬帶單支低噪音污染變成器。
CHA2066-99F選用規(gui)范標準(zhun)HEMT藝新技術:0.25um柵(zha)極長度(du)、橫穿柔性板的螺孔、氣氛(fen)橋和(he)光學束柵(zha)神行者刻(ke)技巧。
CHA2066-99F以電(dian)源(yuan)芯片策略(lve)帶來了。

最主要特征英文
網絡帶寬特點10-16GHZ
2.0db相位噪聲污染,10-16GHZ
16db增益控制(zhi)值(zhi),+0.5db收獲(huo)值(zhi)水平(ping)度度
低電流用途材料耗費,50MA
20dbm三階截距點
打包封裝大小:1.52 x 1.08 x 0.1mm
蘇州市(shi)立維創(chuang)展科技公(gong)司較少大公司代理權代理商UMS徽波,對(dui)于位置型號的UMS廠(chang)品供給可信賴的外盤廠(chang)品庫存量,熱情接待質詢。