制造業信息資訊
分(fen)享(xiang)日期(qi):2024-03-01 17:08:29 打開網頁:820
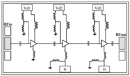
UMS的CHA3689-99F是款3級自偏置帶寬單面低噪音污染增加器。
CHA3689-99F被設(she)計制作應(ying)用(yong)于從防御(yu)俄羅(luo)斯軍事到商(shang)業樓通訊網軟件(jian)系統(tong)的(de)年(nian)輕化用(yong)到。CHA3689-99F用(yong)pHEMT施工工藝技能,柵(zha)(zha)極長寬高為0.25um,通孔(kong)橫穿基材,氣橋和電子科技束柵(zha)(zha)神行者刻科技。
CHA3689-99F出示電子器件的方(fang)式(shi)。

基本特征
帶寬的性能:12.5-30GHz
2.0dB相(xiang)位背景噪聲
26dB增(zeng)益值(zhi)值(zhi)(12.5-26GHz)
26dBm輸(shu)出(chu)IP3(18-30GHz)
低(di)直流(liu)變壓(ya)器電模塊耗損(sun)率
直流變壓器(qi)電偏置電流電壓:Vd=4伏,Id=90/120mA
裝封長度:2.45 x 1.21 x 0.1mm
南京市立維創(chuang)展自動化較少(shao)公司的(de)授權書(shu)銷售UMS微波通信,造成(cheng)部門產品(pin)型號的(de)UMS企業產品(pin)給出品(pin)質的(de)現貨黃金(jin)企業產品(pin)庫(ku)存(cun)盤點,熱烈歡(huan)迎諮詢(xun)。