該行業信息資訊
分享周(zhou)期:2024-03-07 17:15:25 瀏覽記錄:839
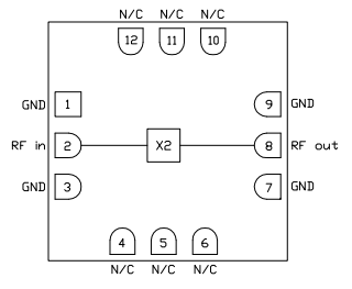
Custom MMIC的CMD227C3是款適用淘瓷QFN型打包封裝的網絡帶寬MMIC GaAs x2無源倍頻器。當由 +15 dBm 信息推動時,CMD227C3在23 GHz打出頻繁下提供 11 dB 轉變自然損耗。Fo 和3Fo 防護隔離度分辨是 38 dBc 和 49 dBc。CMD227C3使用 50 Ω適用的設計,不應該 RF 端口處適應。

表現
低流量轉化損耗費
優等(deng)的(de)Fo 隔開
移動寬帶功能(neng)
沒有優越感
符合 RoHS 規范精細化(hua)的無鉛 3x3 mm SMT 打(da)包封裝內(nei)容
典范用
網(wang)上戰(EW)
Xk線雷(lei)達天線
Ku股票(piao)波段統計
板塊環境空間
網絡(luo)通(tong)信(xin)(xin)衛星網絡(luo)通(tong)信(xin)(xin)(Satcom)
Custom MMIC創于于2006年,是家無晶圓rf射頻和徽波MMIC制定公司的,CUSTOM MMIC好處公司企業操作同一種型中做好的MMIC網站優化訪客的rf射頻數據信息鏈。CUSTOM MMIC是完整篇的ISO身份驗證結構網頁設計師和累似型是最好的MMICs供貨商。CUSTOM MMIC可以提供長期(qi)的增加的性(xing)能模式指(zhi)標微波(bo)射頻/微波(bo)加熱MMIC產品的線。
QORVO用(yong)(yong)于(yu)澳大利亞(ya)最有名氣的(de)的(de)微(wei)波射頻(pin)與公分波優勢研(yan)發商,為全(quan)社會(hui)使用(yong)(yong)者提供數據很高型號規格的(de)GaN和(he)GaAs產品設(she)備,Qorvo在2020年完全(quan)Custom MMIC大量收購(gou)。
成都市(shi)立維創展科枝有現我(wo)司授(shou)權(quan)使用代辦推銷Custom MMIC產品(pin)的(de)線,煩請供給歡迎(ying)會咨詢了解。我(wo)們都!!!