制造業房產資訊
頒布時:2024-06-26 08:54:21 瀏覽網頁:803
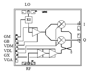
CHR2295-99F是UMS微波射頻一款(kuan)高性能(neng)(neng)的(de)GaAs單片(pian)微波集(ji)成電路(IC),專為商業通(tong)信系統中的(de)下變頻(pin)應用而設計。該芯片(pian)集(ji)成了多種功能(neng)(neng),包括LO(本地振蕩器(qi))時間(jian)雙倍頻(pin)器(qi)、平衡冷FET混頻(pin)器(qi)和RF低噪聲(sheng)放(fang)大(da)器(qi)(LNA),使其能(neng)(neng)夠有效(xiao)地將LO信號(hao)轉(zhuan)換為RF信號(hao)。

該芯片的主要特點包括:
- 聯通寬帶能力:RF網絡上行寬帶為24-30 GHz,LO網絡上行寬帶為12-15 GHz。 - 轉化成增加收益:rf射頻增加收益(Conversion Gain)在11至15 dB當中。 - 噪音分貝常數:3.5 dB,采采用超低頻高壓發生器段>0.1 GHz。 - LO鍵盤輸入電率:最高參考值-10 dBm,比較大參考值10 dBm。 - RF導入輸出:在1 dB收獲解壓縮點時為-10 dBm。 - 低交流電功效耗用:120 mA @ 3.5 V。 - 電源芯片寬度:2.49 x 1.97 x 0.10 mm。 CHR2295-99F適用pHEMT生產技術應用開發,具備著0.25納米的柵長,并經過柔性板孔、自然空氣橋和智能束柵星空刻技術應用保證 高的精密度和牢靠性。集成塊的后邊制作為微波射頻和直流變壓器接地保護,簡單了裝配圖過程中 ,上升了體統的牢靠性和性能指標。西安市立維創展創新科技限制大公司授權經銷UMS微波,針對部分型號的UMS產品提供優質的現貨產品庫存,歡迎咨詢。