的行業方式
發布(bu)了(le)準確時(shi)間(jian):2024-06-28 08:59:54 閱讀:6082

PULSAR倍頻器FX-04-410是(shi)一款高性(xing)能的電子設備,專為需(xu)要(yao)精確頻率轉換(huan)的應用(yong)而(er)設計。以(yi)下是(shi)該產(chan)品的詳細介(jie)紹(shao):
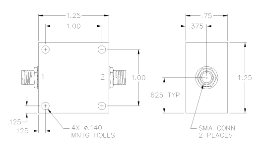
好產產品名稱稱: Pulsar倍頻器FX-04-410頻率范圍:
搜索頻點: 75-1500 MHz 轉換頻帶寬度: 150-3000 MHz 插入工作效率標稱值: +10.0 dBm轉換損耗:
在F2規律下: 12.0 dB最好 在F4聲音頻率下: 20.0 dB主要雜散信號抑制:
F1: 20 dBc F3: 20 dBc 封裝形式形式: SMA連接器類型:
細則調試: SMA female 可選裝搭配: BNC, TNC, F, 和 N connectors 發送/輸出的網絡端口: 插入服務器端口: 1 輸出精度端口設置: 2 保護接地保護途徑: 的外殼保護接地保護 外觀的尺寸: 1.25" x 1.25" x 0.75"
雜散信號抑制性能表明,該設備能夠有效抑制不需要的頻率成分,確保輸出信號的純凈度。SMA連接器是標準配置,但也提供其他類型的連接器選項,以適應不同的應用需求。山東市立維創展科學代理權權代理權賣出PULSAR微波射頻商(shang)品(pin),并給出售(shou)后維修功能適配功能,邀請詢問。