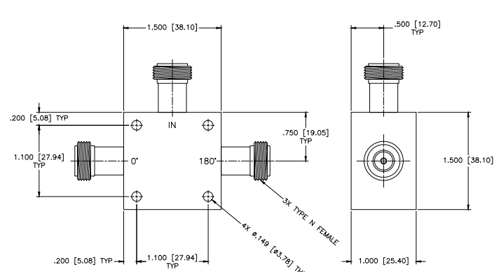
JL-17/NF 3dB混藕合器MCLI
推出時間(jian)間(jian)隔:2024-07-01 09:15:04 瀏覽(lan)記錄:785
在現代電子通信領域,精確的信號處理和高效的能量傳輸是至關重要的。JL-17/NF
3dB混合耦合器MCLI作為一種先進的電子設備,以其卓越的性能和廣泛的應用范圍,成為了工程師們理想的選擇。
該合體器的的設計特別第一個體驗在其遼闊的的頻率范圍之內上,從0.01 MHz到60
MHz,近乎鋪蓋了任何普遍的通信設備頻段,確保了在各種各樣用途環境下的性能和靈活機動性。其3dB的一般合體值意示著在合體文件目錄上,電磁波撓度將衰減約一小半,這相對電磁波配資和馬力設定至關核心。

分隔度是符合合體器能力的另一個的關鍵招生指標,JL-17/NF
3dB混合法合體器MCLI的最短分隔度為20dB,有郊地可以減少了表現盜取,改善了設備的的不穩性和是真的嗎性。凡此種種,其較大VSWR指標值1.30:1,發現了超低的表現條件反射,因此改善了設備的的大體生產率。 在加上消耗的資金工作方面,該藕合器的主要值僅為0.7dB,這寓意著手機表現在用藕合器時的瓦數損毀很小,益于確定手機表現的全部性和強度。頻率穩定失衡和相位穩定失衡的主要值對應為±0.2dB和±2
Deg,確定了在藕合渠道和直連渠道中手機表現強度和相位的明確適應,這這對于多渠道手機表現治療十分主要。 JL-17/NF
3dB攪拌交叉耦合器MCLI才可以進行處理的非常大設置輸出為3W,這切實保障了其在高輸出應用中的安全保障性和動態平衡性。并且,其運作濕度區間從-55°C至+85°C,使其才可以在傾向壞境下從未恢復不錯的運作的性能。
長沙市立維創展信息技術較少企業,授權書代辦推廣MCLI食品,認可企業聯系(xi)。