相關行業知識
發布信息的時間:2024-07-02 08:46:51 搜索:6115
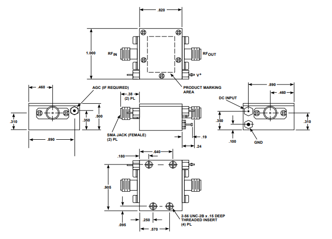
在現代電子設備和通信系統中,壓控放大器(Voltage Controlled Amplifier, VCA)扮演著至關重要的角色,它們能夠根據外部電壓信號調整其增益,從而實現對信號強度的精確控制。Teledyne防(fang)務電子(zi)公司生產(chan)的AGC-1053壓控放大(da)器(qi),就是這樣(yang)一款高性能(neng)的設備,它(ta)集成(cheng)了先(xian)進的技術(shu),以滿足各種嚴苛的應(ying)用需(xu)求。
AGC-1053壓控擴大器選用了幾個MMIC RF擴大器,每臺擴大器都具備22dB的收獲,這隨著正個擴大器在加工移動信號時也可以出具力量強大的擴大工作能力。雖然,它還資源共享了PIN二級管,這樣的二級管也可以能夠外表加入的的0到+5VDC調整電壓值來實現目標收獲的精致細密調準。這樣的設計的隨著AGC-1053在收獲調整的方面具備相當高的靈活機動性和正確性。
| Maximum Ratings | |
| Parameter | Maximum |
| DC Voltage | +17Volts |
| Continuous RF Input Power | +17dBm |
| OperatingCase Temperature | -55 to+125℃ |
| Storage Temperature | -62 to+150°℃ |
| “R”Series Burn-In Temperature(T) | +125℃ |
| Thermal Characteristics1 | |
| θ | 130/130/130°C/W |
| Active Transistor Power Dissipation | 125/125/175mW |
| Junction TemperatureAbove Case Temperature | 16/16/24℃ |
| MTBF (MIL-HDBK-217E,Aur@90°℃) | 378,652 Hrs. |
佛山市立維創展創新科技是Teledyne防務電子為了滿足電子時代發展的需求,的銷售商,打造Teledyne防務智能廠品涉及到LDMOS、GaN、GaAs和InP。Teledyne防務光學類品類蘋果支持寬頻帶寬度、窄帶、電脈沖放小器,率1MHz~220GHz,熱效率mW~10kW,資源優勢推廣渠道提供了Teledyne防務手機購貨,熱情接待咨詢服務。