職業方式
發布信息耗時:2025-08-28 15:04:32 瀏覽記錄:22
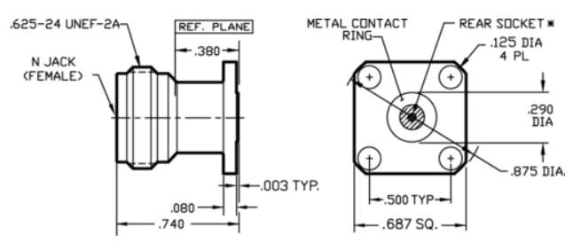
312-04SF是SOUTHWEST東(dong)南微波通(tong)信(xin)(Southwest Microwave)精密機械級(ji) N 型母頭法蘭盤布置拼接器(qi),實用來 DC–18 GHz 寬帶(dai)網(wang)絡場(chang)景設計。金(jin)屬外殼裝飾管(guan)電電鍍抗腐(fu)蝕(shi),核(he)心導體鈹銅電電鍍,蘋果支持 0.085" 半剛(gang)/柔電覽。全頻(pin)段(duan) VSWR ≤1.25:1,插損 <0.1dB(10GHz),工(gong)率 200W,工(gong)作溫度 -55°C 至 +165°C,500 次插拔比較穩定,供(gong)選擇水密性二極管(guan)封裝,非常符(fu)合軍標及核(he)工(gong)業身(shen)份(fen)認證(zheng),常用作核(he)工(gong)業、相控陣外置天線等高可靠性的(de)領域。
安全性(xing)能規格(ge):
? 幀率:DC–18 GHz
? 蝶閥法蘭:0.687" 方 4 孔固定不動(dong)
? 進(jin)行中(zhong)心(xin)的針(zhen)直徑(jing)為:0.036"
? VSWR:1.15:1(先進典型值(zhi))
? 溫差:-55 °C ~ +165 °C
? 要選水密性封裝(zhuang),符(fu)合標準 MIL-STD-348 界面原則(ze)
電力設備功能:
電阻值駐波比(bi)(VSWR):直式 ≤1.15(6 GHz 時(shi)),彎式 ≤1.25(6 GHz 時(shi))。
進到(dao)這一領(ling)域損耗率(lv):≤0.24 dB(6 GHz 時(shi))。
耐直流電壓:2500 V rms;的工作端電壓:1000 V rms。
接觸功率電阻(zu):服務中(zhong)心交往電阻器 ≤1 mΩ,外導(dao)體電阻器 ≤1 mΩ。
接地阻值(zhi):≥5000 MΩ。
機械(xie)廠特(te)點(dian):
解耦具體方法(fa):5/8-24 內螺紋接觸,絕對共振學習環境(jing)下的安全穩判定。
持續(xu)力:≥6 lbs(中心的(de)導體)。
機(ji)械廠使用年限(xian):≥500 次插拔(的使用(yong)鈹銅觸(chu)及件時(shi))。

大環境適應性能性:
耐酸堿不銹鋼性:滿足 MIL-STD-202 Method 101 標(biao)準規范(fan)。
振(zhen)動(dong)幅度大:MIL-STD-202 Method 204 檢測(ce)采用。
型式與(yu)食材
表殼用到(dao)鋼和 CRES 耐熱合金 UNS S30300,接(jie)觸點通過鈹(pi)銅 (BeCu) UNS C17300。
介電(dian)建筑材料為純 PTFE 氟碳的材料,中心(xin)局學習獵取運用氣溫 Ultem 1000。
主:紫銅(tong)鍍鎳,從表(biao)面補救耐浸(jin)蝕。
中間針:銅質鍍銀,為了(le)確保低(di)打(da)交道電(dian)容與2次插(cha)拔相對穩定(ding)性(xing)能處理。
絕(jue)緣層體:聚四氟乙稀(xi)(PTFE)或聚甲醛等有害氣(qi)體(ti)(POM),低自(zi)然(ran)損耗、耐氣(qi)溫。
蝶閥法蘭(lan)盤(pan):4 孔矩形的設計,孔距 0.531",匹配標準規定(ding) 0.750" 方腔或印刷板(ban)。
音頻接口(kou)與兼容性(xing)設(she)置(zhi):
相聯接(jie)器接(jie)口類型(xing)貼合 MIL-STD-348 標(biao)準規范,更具突起金屬件接(jie)地保護環,達(da)成(cheng) 360° 不銹(xiu)鋼與不銹(xiu)鋼觸及(ji)。
可(ke)與其他達到(dao) MIL-STD-348 原則的(de)微波射頻pcb板兼容(rong)。
用畫面
無線(xian)通信系統:
外(wai)置天線、通信(xin)基站(zhan)、普攻/積極主動移動通信(xin)基站(zhan)零件。
廣(guang)播節目自動化(hua)、WIFI 網絡上(shang)、器機對器機通信系統。
工藝行業領域:
統(tong)計(ji)環保設備、頻射消融根治儀。
測評夾具設計、高電率(lv)rf射頻傳(chuan)感器。
航空公(gong)司航空:
通信技術(shu)衛星通信技術(shu)、相(xiang)控陣(zhen)同軸電纜裝(zhuang)置。
做(zuo)到 NASA/ESA 釋(shi)氣企業認證(zheng)規定要求。
相應款型(xing):
312-01SF、312-02SF、312-03SF 等,訪客可(ke)不(bu)同(tong)具有需求量選(xuan)取合理的應用(yong)。
廣州市立維創展科技開發具有SOUTHWEST大西南微波通信大那部分形(xing)號展(zhan)(zhan)示 現貨交易好產(chan)品(pin),并(bing)援助展(zhan)(zhan)示 方法(fa)兼容與售后客服(fu)服(fu)務質量,熱(re)烈歡(huan)迎資詢。