的行業手游資訊
發布(bu)信息時間(jian)段(duan):2018-06-21 15:09:53 網頁(ye)瀏覽(lan):2544
品牌
型號
描述
貨期
庫存
ADI
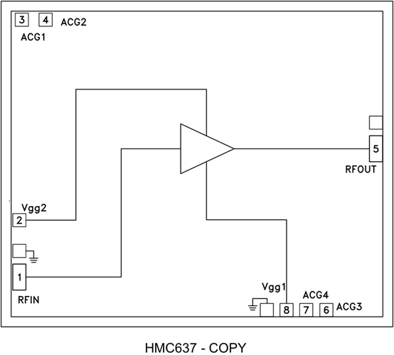
HMC637A
GaAs MMIC 1 W功率放大器,DC - 6 GHz
現貨
32
HMC637A用
HMC637A優勢和特點
HMC637A結構圖
