HMC7441/HMC7441-SX四級GaAs pHEMT工作電壓拖動器 ADI期貨選擇商
頒布的時間:2018-06-21 15:39:47 查看:2801
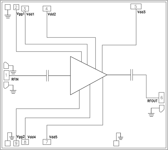
HMC7441是一個款三級職業資格證書GaAs pHEMT耗油率變成器,事業工作頻率位置為27.5至31 GHz。 該變成器的收獲為23 dB,呈現呈現飽和狀態狀態傷害耗油率為+34 dBm,PAE為25%,交流電源電阻值為6V。 HMC7441出示+38 dBm的好品質傷害IP3性,越來越可以規則化使用軟件,假如Ka頻段VSAT、高電容量雙向或點對多一點無線網電——例如使用軟件要存在+34 dBm的提高效率呈現呈現飽和狀態狀態傷害耗油率。 RF I/O隔直并篩選至50 Ω,可以方面集成式到多心片模塊電源(MCM)中。 一切數據源均用到50 Ω自測工裝工裝夾具中的心片得出,該工裝工裝夾具順利通過一種直徑約為0.025mm (1 mil)、的長度為0.31 mm (12 mil)的焊線對接。
|
品牌
|
型號
|
描述
|
貨期
|
庫存
|
|
ADI
|
HMC7441
HMC7441-SX
|
GaAs pHEMT MMIC 2 W功率放大器,27.5 - 31 GHz
|
現貨
|
36
|
利用
-
點對點無線電
-
點對多點無線電
-
VSAT和SATCOM
-
軍事和太空
長處(chu)和共同點
-
飽和輸出功率:
++34 dBm (25% PAE)
-
高輸出IP3: +38 dBm
-
高增益: 23 dB
-
直流電源: +6V (1,000 mA)
-
無需外部匹配
-
芯片尺寸: 3.18 x 2.84 x 0.1 mm
成分圖
