HMC468ALP3E光纖寬帶3位GaAs IC阿拉伯數字衰減器 期貨
發(fa)布(bu)消息時間(jian)間(jian)隔:2019-02-26 14:04:23 瀏覽(lan)訪問:1626
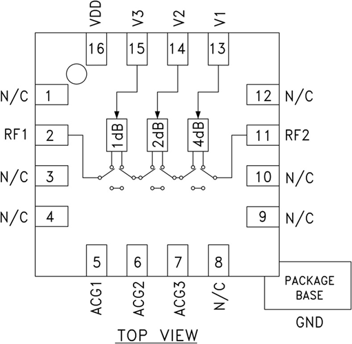
HMC468ALP3E都是款寬帶網3位GaAs IC數字9衰減器,使用成本低費用無引腳接觸面貼裝打包封裝。 在DC到6.0 GHz頻率下運行,添加圖片耗損如果低于1 dB關鍵值,最多高達4 GHz。 衰減器位臨界值1 (LSB)、2和4 dB,總衰減為7 dB。 衰減精密度較極為高,關鍵步長誤差率為±0.4 dB,IIP3為+55 dBm。 三調控額定電壓鍵入在0和+5V彼此更換,用做選澤各個衰減環境。 想要+5V的單一Vdd偏置。
|
品牌
|
型號
|
貨期
|
庫存
|
|
ADI
|
HMC468ALP3E
|
1周
|
120
|
如若您需(xu)要購(gou)買HMC468ALP3E,請點擊右側客服聯系我們!!!
應運
-
蜂窩;UMTS/3G基礎設施
-
固定無線和WLL
-
微波無線電和VSAT
優質和(he)特殊性
-
1 dB LSB步進至7 dB
-
高IP3: +55 dBm
-
誤碼率:±0.25 dB(典型值)
-
每位單個控制線路
-
+5V單電源
-
3x3 mm SMT封裝
表示圖

深圳市立維創展科技代理銷售ADI現貨產品,致力于為廣大客戶提供低價格、高質量、有保障的產品,提供優質的售前與售后服務技術。如您有任何產品需求以及服務請聯系我們客服人員,我們會再第一時間內為您解決問題。