HMC-APH403/HMC-APH403-SX二級MMIC高的英語瓦數增加器 ADI外盤
發(fa)布(bu)的準(zhun)確時間(jian):2018-06-27 17:15:29 搜(sou)索:7031
HMC-APH403是一個款三級視頻GaAs HEMT MMIC中高熱效率增加器,本職工作速率使用范圍為37至45 GHz。 HMC-APH403供給21 dB增加收益,利用+5V交流電源電流電壓時兼備+23 dBm內容輸出熱效率(1 dB壓縮成)。 全部的焊盤和心片后邊都經過Ti/Au鋁合金化,增加器已可以鈍化以構建耐用操作流程。
HMC-APH403 GaAs HEMT MMIC一般耗油率調小器兼容普通的處理集成塊貼裝模式,各種熱縮短和熱超聲波線電工藝,無比適合MCM和相溶微電路設計利用。 這里表明的大部分數據報告均是處理集成塊在50 Ω室內環境下利用RF攝像頭碰觸測出。
|
品牌
|
型號
|
描述
|
貨期
|
庫存
|
|
ADI
|
HMC-APH403
HMC-APH403-SX
|
中等功率放大器芯片,37 - 45 GHz
|
現貨
|
226
|
操作
HMC-APH403優勢和特點
-
輸出IP3: +32 dBm
-
P1dB: +23 dBm
-
增益: 21 dB
-
電源電壓: +5V
-
50 Ω匹配輸入/輸出
-
裸片尺寸: 2.76 x 1.03 x 0.1 mm
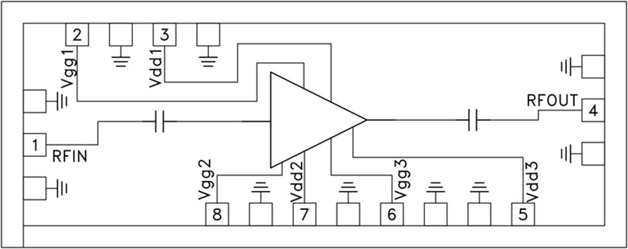
HMC-APH403結構圖
