產業手游資訊
發布了時間:2019-12-16 14:36:46 瀏覽網(wang)頁:2589
HMC609LC4是ADI的單片低噪聲放大器,其頻率范圍為2-4GHz。它在整個工作頻段具有良好的平坦性能,包括20db的小信號增益、3.5db的噪聲系數和36.5dbm的輸出IP3。50Ω匹配放大器不需要任何外部匹配元件。HMC609LC4使用大儲存量儀盤表棒枝術生產制造,微波射頻IO要進行隔離進一大步集合。
HMC609LC4技術應用(yong)前(qian)沿技(ji)術為進行固(gu)定紅外光、軟件(jian)測試(shi)和校正機、雷(lei)達探(tan)測和感應器器、美國軍事(shi)和空間等
HMC609LC4核心因素(su):
頻帶寬度:2 - 4GHz
增益控制:20
OIP3:36.5
低燥聲因子(zi): 3.5 dB

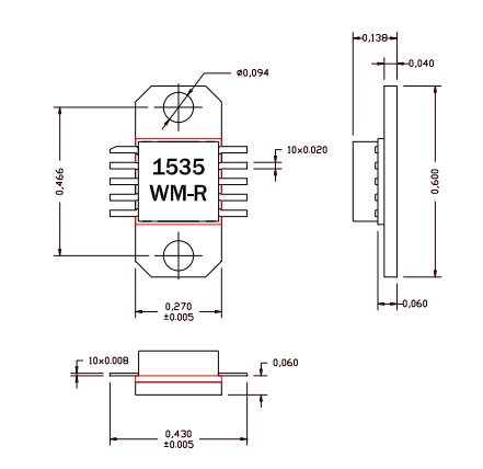
AM153540WM-EM-R是AMCOM的(de)(de)砷化(hua)鎵單支效率(lv)拖(tuo)動(dong)器(qi)。拖(tuo)動(dong)器(qi)與50歐姆(mu)顯示和(he)輸入輸出無暇(xia)識(shi)別,所覆蓋1.5至3.5赫(he)茲(zi)。該(gai)片式ibms電路(lu)系(xi)統(tong)在14V下兼備(bei)21db的(de)(de)增益值和(he)38.5dbm的(de)(de)讀取功效,與打包封(feng)(feng)裝(zhuang)底(di)層的(de)(de)水平面面共(gong)面,為(wei)低的(de)(de)成(cheng)本的(de)(de)貼片拆卸到(dao)PC板提供了了根基。是因為(wei)高(gao)整流輸出功率(lv),小(xiao)編很強意見將此機械設(she)備(bei)立即(ji)安裝(zhuang)使(shi)用(yong)在彩石(shi)水冷器(qi)上(shang)(shang)。FM配(pei)件(jian)是按(an)裝(zhuang)在銅卡(ka)(ka)箍支地上(shang)(shang)的(de)(de)BM零(ling)件(jian)。EM封(feng)(feng)口(kou)與FM封(feng)(feng)裝(zhuang)相當,采(cai)用(yong)了鉛(qian)和(he)銅鎢蝶(die)閥(fa)卡(ka)(ka)箍代用(yong)銅蝶(die)閥(fa)卡(ka)(ka)箍。蝶(die)閥(fa)卡(ka)(ka)箍上(shang)(shang)帶有三個螺(luo)孔,更方便擰到(dao)金(jin)屬件(jian)導熱器(qi)上(shang)(shang)。這(zhe)樣的(de)(de)MMIC是符合標準RoHS的(de)(de)。
AM153540WM-EM-R廣(guang)泛應用區域(yu)為(wei)PCS移動通信基站、GPS軟件應(ying)用、MMDS、wifi虛擬局域網中繼器(qi)和10V–16V應該用等
AM153540WM-EM-R重要的性能(neng)指標:
幀率:1.5-3.5GHz
增益值:18
P1dB(DBM):39
PSAT(DBM):39.5
速率(lv):35
VD(V):14
AMCOM調大(da)器的著名度比如ADI,但(dan)AMCOM也是世(shi)界認證的(de)(de)十大(da)品牌標志,產品與(yu)速度能與(yu)ADI優于較,最具主(zhu)要優勢(shi)的(de)(de)些是AM153540WM-EM-R放縮器的(de)價值(zhi)比HMC609LC4體現(xian)了(le)決對(dui)的(de)優越性,頻(pin)帶(dai)寬度相應、有(you)的(de)是(shi)高(gao)效性性商(shang)品。