企業咨訊
上架事件(jian):2019-12-20 15:27:36 訪問 :1916
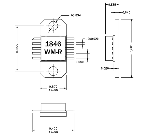
AM184635WM-EM-R是(shi)(shi)AMCOM的(de)(de)砷化(hua)鎵MMIC功(gong)率放大器系列的(de)(de)一部分。它有30dB增益和35dBmP1dB,在(zai)2.2到4.2GHz頻(pin)(pin)段。這個(ge)(ge)MMIC是(shi)(shi)一個(ge)(ge)陶瓷封裝,射頻(pin)(pin)和直(zhi)流引線都在(zai)較低的(de)(de)水(shui)平便于(yu)低成本的(de)(de)SMT組裝到PC板上(shang)。當直(zhi)接安(an)裝到PCB上(shang)時,請參見申(shen)請說明AN700。由于(yu)高直(zhi)流功(gong)耗,我們強烈建議安(an)裝這些設(she)備(bei)直(zhi)接安(an)裝在(zai)金屬散(san)(san)熱器上(shang)。AM184635WM-FM-R是(shi)(shi)安(an)裝在(zai)鍍金銅法蘭(lan)托架。EM封裝與FM封裝具(ju)有相同的(de)(de)封裝尺寸,采用直(zhi)引線用銅/鎢(wu)法蘭(lan)代(dai)替銅法蘭(lan)。法蘭(lan)上(shang)有兩個(ge)(ge)螺孔,以便擰上(shang)金屬散(san)(san)熱器。這個(ge)(ge)MMIC是(shi)(shi)符(fu)合RoHS的(de)(de)。

AM184635WM-EM-R共同點
從1.8到4.6GHz的帶寬(kuan)
高傷害耗油率,P1dB=35dBm
高增加(jia)收益(yi),30dB
非常配對;50歐姆(mu)錄入/導(dao)出抗阻(zu)
AM184635WM-EM-R應用領域
無線路(lu)由互連接wifi絡網連通
wifi地方(fang)環(huan)路
正向手機無線電
AM184635WM-EM-R最重要(yao)性能
速度:1.8-4.6GHz
增益值:30
P1dB(DBM):35
PSAT(DBM):37
生產率:25
VD(V):7
成都 市立(li)維創展新(xin)材料技(ji)術是(shi)AMCOM集團總微商(shang)代理,其(qi)一般微波加熱移動寬帶(dai)食(shi)品有(you)rf射(she)頻硫化鋅(xin)管、MMIC工率(lv)放縮(suo)器(qi)、混合型放縮(suo)器(qi)功能(neng)(neng)控(kong)制模塊、寬帶(dai)網放縮(suo)器(qi)、高工率(lv)放縮(suo)器(qi)功能(neng)(neng)控(kong)制模塊、帶(dai)RF和DC相連器(qi)(qi)的高電(dian)電(dian)功率(lv)變(bian)(bian)成器(qi)(qi)控制器(qi)(qi)和低背景噪聲變(bian)(bian)成器(qi)(qi),電(dian)電(dian)功率(lv)變(bian)(bian)成器(qi)(qi),電(dian)源開關,衰減器(qi)(qi),移相器(qi)(qi)或是上/底下(xia)交流三(san)菱變(bian)頻器(qi)的(de)制(zhi)作。